Product Summary
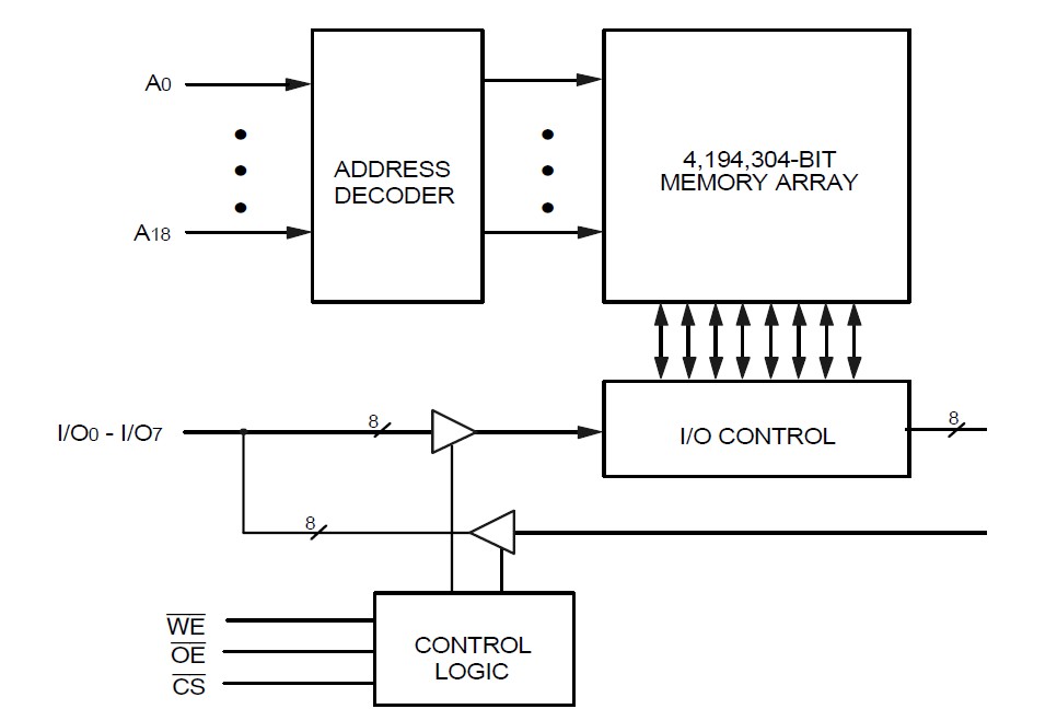
The IDT71V424S12PH is a 4,194,304-bit high-speed Static RAM organized as 512K x 8. It is fabricated using IDTs high-perfomance, high-reliability CMOS technology. This state-of-the-art technology, combined with innovative circuit design techniques, provides a cost-effective solution for highspeed memory needs.
Parametrics
IDT71V424S12PH absolute maximum ratings: (1)Supply Voltage Relative to VSS: -0.5 to +4.6 V; (2)Terminal Voltage Relative to VSS: -0.5 to VDD+0.5 V; (3)Temperature Under Bias: -55 to +125 ℃; (4)Storage Temperature: -55 to +125 ℃; (5)Power Dissipation: 1 W; (6)DC Output Current: 50 mA.
Features
IDT71V424S12PH features: (1)512K x 8 advanced high-speed CMOS Static RAM; (2)JEDEC Center Power / GND pinout for reduced noise; (3)Equal access and cycle times — Commercial and Industrial: 10/12/15ns; (4)Single 3.3V power supply; (5)One Chip Select plus one Output Enable pin; (6)Bidirectional data inputs and outputs directly TTL-compatible; (7)Low power consumption via chip deselect; (8)Available in 36-pin, 400 mil plastic SOJ package and 44-pin, 400 mil TSOP.
Diagrams

| Image | Part No | Mfg | Description | ![]() |
Pricing (USD) |
Quantity | ||||||||||||||||||||||
|---|---|---|---|---|---|---|---|---|---|---|---|---|---|---|---|---|---|---|---|---|---|---|---|---|---|---|---|---|
![]() |
![]() IDT71V424S12PH |
![]() |
![]() IC SRAM 4MBIT 12NS 44TSOP |
![]() Data Sheet |
![]() Negotiable |
|
||||||||||||||||||||||
![]() |
![]() IDT71V424S12PH8 |
![]() |
![]() IC SRAM 4MBIT 12NS 44TSOP |
![]() Data Sheet |
![]() Negotiable |
|
||||||||||||||||||||||
![]() |
![]() IDT71V424S12PHG8 |
![]() |
![]() IC SRAM 4MBIT 12NS 44TSOP |
![]() Data Sheet |
![]()
|
|
||||||||||||||||||||||
![]() |
![]() IDT71V424S12PHGI |
![]() |
![]() IC SRAM 4MBIT 12NS 44TSOP |
![]() Data Sheet |
![]()
|
|
||||||||||||||||||||||
![]() |
![]() IDT71V424S12PHGI8 |
![]() |
![]() IC SRAM 4MBIT 12NS 44TSOP |
![]() Data Sheet |
![]()
|
|
||||||||||||||||||||||
![]() |
![]() IDT71V424S12PHG |
![]() |
![]() IC SRAM 4MBIT 12NS 44TSOP |
![]() Data Sheet |
![]()
|
|
||||||||||||||||||||||
![]() |
![]() IDT71V424S12PHI |
![]() |
![]() IC SRAM 4MBIT 12NS 44TSOP |
![]() Data Sheet |
![]() Negotiable |
|
||||||||||||||||||||||
![]() |
![]() IDT71V424S12PHI8 |
![]() |
![]() IC SRAM 4MBIT 12NS 44TSOP |
![]() Data Sheet |
![]() Negotiable |
|
||||||||||||||||||||||
(China (Mainland))









