Product Summary
The HSM123TL-E is a silicon epitaxial planar diode for high speed switching.
Parametrics
HSM123TL-E absolute maximum ratings: (1)Peak reverse voltage: 85 V; (2)Reverse voltage: 80 V; (3)Peak forward current: 300 mA; (4)Non-Repetitive peak forward surge current: 4 A; (5)Average forward current: 100 mA; (6)Junction temperature: 125 °C; (7)Storage temperature: –55 to +125 °C.
Features
HSM123TL-E features: (1)Low capacitance, proof against high voltage; (2)Fast recovery time; (3)MPAK package is suitable for high density surface mounting and high speed assembly.
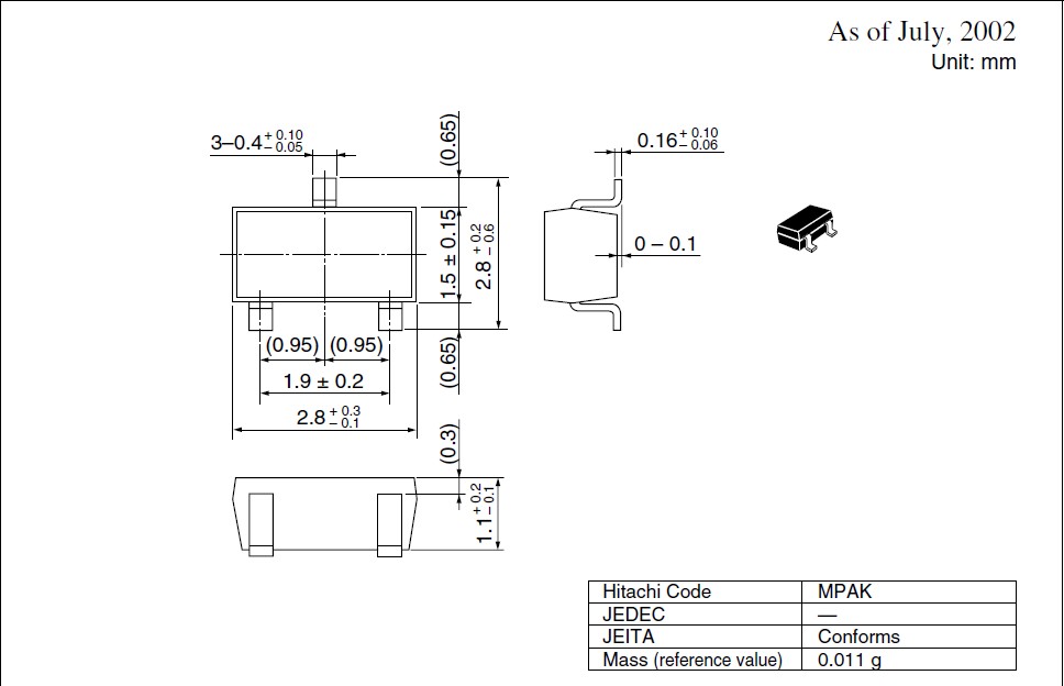
Diagrams

(China (Mainland))






