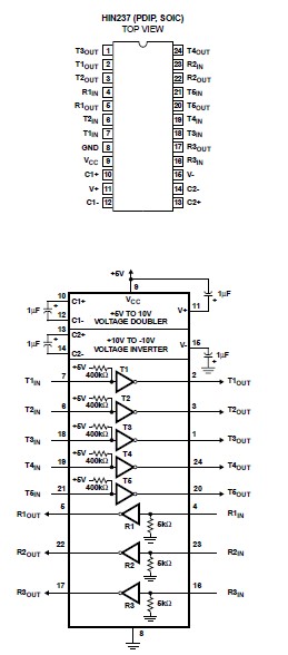
Product Summary
The HIN237IB is a 5V Powered RS-232 Transmitters/Receivers. Application is any system requiring RS-232 communications ports: (1)Computer Portable, Mainframe, Laptop; (2)Peripheral Printers and Terminals; (3)Instrumentation; (4)Modems.
Parametrics
HIN237IB absolute maximum ratings: (1)VCC to Ground: (GND -0.3V)< VCC < 6V; (2)V+ to Ground: (VCC -0.3V)< V+ < 12V; (3)V- to Ground: -12V < V- < (GND +0.3V); (4)Input Voltages TIN: (V- -0.3V)< VIN < (V+ +0.3V); (5)Input Voltages RIN: ±30V; (6)Output Voltages TOUT: (V- -0.3V)< VTXOUT < (V+ +0.3V); (7)Output Voltages ROUT: (GND -0.3V)< VRXOUT < (V+ +0.3V); (8)Short Circuit Duration TOUT: Continuous; (9)Short Circuit Duration ROUT: Continuous.
Features
HIN237IB features: (1)Meets All RS-232E and V.28 Specifications; (2)Requires Only Single +5V Power Supply - (+5V and +12V - HIN231 and HIN239); (3)High Data Rate: 120kbps; (4)HIN233 and HIN235 Require No External Capacitors; (5)Onboard Voltage Doubler/Inverter; (6)Low Power Consumption; (7)Low Power Shutdown Function; (8)Three-State TTL/CMOS Receiver Outputs.
Diagrams

(China (Mainland))






