Product Summary
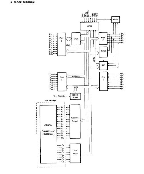
The hd68p01v07 is an 8-bit single chip microcomputer unit which significantly enhances the capabilities of the HMCS6800 family of parts. It can be used in production systems to allow for easy firmware changes with minimum delay or it can be used to emulate the HD6801 for software development.
Parametrics
hd68p01v07 absolute maximum ratings: (1)supply voltage, VCC: -0.3 to 7.0V; (2)input voltage, Vin: -0.3 to 7.0V; (3)operating temperature, Topr: 0 to 70℃; (4)storage temperature, Tstg: -55 to 150℃.
Features
hd68p01v07 features: (1)expanded HMCS6800 instruction set; (2)8*8 multiply instruction; (3)serial communications interface; (4)128 bytes of RAM; (5)full TTL compatibility; (6)full interrupt capability; (7)bus compatible with HMCS6800 family.
Diagrams

(China (Mainland))






