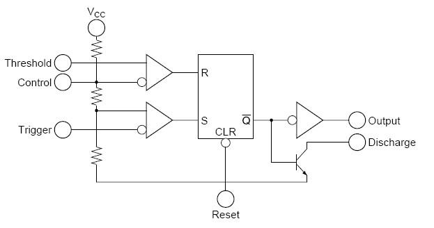
Product Summary
The ha17555ps is a Precision Timer. The ha17555ps is ICs designed for accurate time delays or oscillations. It provides both of trigger terminal and reset terminal in order to enable a wide scope of application including Mono Multi Vibrator and Astable Multi Vibrator, and the number of external components is fewer. Further, it’s compatible with NE555 of singnetics. The applications of the ha17555ps include Delay Time Generator (Mono Multi Vibrator), Pulse Generator (Astable Multi Vibrator), Pulse Width Modulator, Pulse Location Modulator and Miss Pulse Detector.
Parametrics
ha17555ps absolute maximum ratings: (1)Supply voltage: 18 V; (2)Discharge current: 200 mA; (3)Output source current: 200 mA; (4)Output sink current: 200 mA; (5)Power dissipation: 600/385 mW; (6)Operating temperature: –20 to +75 ℃; (7)Storage temperature: –55 to +125 ℃.
Features
ha17555ps features: (1)Mono multi vibrator can be constructed with one resistor and one capacitor; (2)Astable multi vibrator can be constructed with two resistors and one capacitor; (3)Delay time can be established widely from several μ seconds to several hours; (4)Pulse Duty can be controlled; (5)The maximum value of both sink current and source current is 200mA; (6)Direct connection of output to TTL is possible; (7)Temperature/delay time ratio is 50 ppm/℃ (typ); (8)Output is normally in the on and off states.
Diagrams

(China (Mainland))






