Product Summary
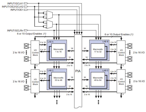
The epm7128aetc144-7 is a high-density, high-performance devices based on Altera second-generation MAX architecture. The epm7128aetc144-7 provides programmable speed/power optimization. The epm7128aetc144-7 contains from 32 to 512 macrocells that are combined into groups of 16 macrocells, called logic array blocks (LABs) .
Parametrics
epm7128aetc144-7 absolute maximum ratings: (1) Supply voltage Vcc: -0.5 to 4.6V (With respect to ground) ; (2) DC input voltage VI: -2.0 to 5.75V (With respect to ground) ; (3) DC output current, per pin: -25 to 25mA; (4) Storage temperature Tsth: -65 to 150°C; (5) Ambient temperature TA: -65 to 135°C; (6) Junction temperature Tj: 135°C (BGA, FineLine BGA, PQFP, and TQFP packages, under bias) .
Features
epm7128aetc144-7 features: (1) High-performance 3.3-V EEPROM-based programmable logic devices (PLDs) built on second-generation Multiple Array MatriX) architecture; (2) 3.3-V in-system programmability (ISP) through the built-in IEEEStd.1149.1 Joint Test Action Group (JTAG) interface with advanced pin-locking capability; (3) Built-in boundary-scan test (BST) circuitry compliant with IEEEStd.1149.1; (4) Supports JEDEC Jam Standard Test and Programming Language (STAPL) JESD-71; (5) Pin-compatible with the popular 5.0-V MAX7000S devices; (6) High-density PLDs ranging from 600 to 10,000 usable gates; (7) Extended temperature range.
Diagrams

| Image | Part No | Mfg | Description | ![]() |
Pricing (USD) |
Quantity | ||||||
|---|---|---|---|---|---|---|---|---|---|---|---|---|
![]() |
![]() EPM7128AETC144-7 |
![]() |
![]() IC MAX 7000 CPLD 128 144-TQFP |
![]() Data Sheet |
![]()
|
|
||||||
| Image | Part No | Mfg | Description | ![]() |
Pricing (USD) |
Quantity | ||||||
![]() |
![]() EPM7032AE |
![]() Other |
![]() |
![]() Data Sheet |
![]() Negotiable |
|
||||||
![]() |
![]() EPM7032AELC44-10 |
![]() |
![]() IC MAX 7000 CPLD 32 44-PLCC |
![]() Data Sheet |
![]()
|
|
||||||
![]() |
![]() EPM7032AELC44-10N |
![]() |
![]() IC MAX 7000 CPLD 32 44-PLCC |
![]() Data Sheet |
![]()
|
|
||||||
![]() |
![]() EPM7032AELC44-4 |
![]() |
![]() IC MAX 7000 CPLD 32 44-PLCC |
![]() Data Sheet |
![]()
|
|
||||||
![]() |
![]() EPM7032AELC44-4N |
![]() |
![]() IC MAX 7000 CPLD 32 44-PLCC |
![]() Data Sheet |
![]()
|
|
||||||
![]() |
![]() EPM7032AELC44-7 |
![]() |
![]() IC MAX 7000 CPLD 32 44-PLCC |
![]() Data Sheet |
![]()
|
|
||||||
(China (Mainland))











