Product Summary
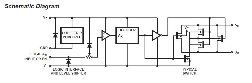
The dg509acj is a CMOS Monolithic 16-Channel Analog Multiplexer which can also be used as demultiplexers. An enable input of the dg509acj is provided. When the enable input is high, a channel is selected by the address inputs and all channels are off. A channel in the ON state conducts current equally well in both directions. In the OFF state each channel blocks voltages up to the supply rails. The address inputs and the enable input of the dg509acj are TTL and CMOS compatible over the full specified operating temperature range.
Parametrics
dg509acj absolute maximum ratings: (1)V+ to V-: 44V; (2)V- to Ground: 25V; (3)Digital Inputs, VS, VD: (V- -2V) To (V+ +2V); (4)Continuous Current, (Any Terminal Except S or D): 30mA; (5)Continuous Current, (S or D): 20mA; (6)Peak Current, S or D (Pulsed 1ms, 10% Duty Cycle Max): 40mA; (7)Temperature Range: "A" Suffix: -55℃ to 125℃; "B" Suffix: -25℃ to 85o; "C" Suffix: 0℃ to 70℃.
Features
dg509acj features: (1)Low Power Consumption; (2)TTL and CMOS-Compatible Address and Enable Inputs; (3)44V Maximum Power Supply Rating; (4)High Latch-Up Immunity; (5)Break-Before-Make Switching; (6)Alternate Source; (7)Data Acquisition Systems; (8)Communication Systems; (9)Signal Multiplexing/Demultiplexing; (10)Audio Signal Multiplexing.
Diagrams

| Image | Part No | Mfg | Description | ![]() |
Pricing (USD) |
Quantity | ||||||||||||
|---|---|---|---|---|---|---|---|---|---|---|---|---|---|---|---|---|---|---|
![]() |
![]() DG509ACJ |
![]() Maxim Integrated Products |
![]() Multiplexer Switch ICs |
![]() Data Sheet |
![]() Negotiable |
|
||||||||||||
![]() |
![]() DG509ACJ+ |
![]() Maxim Integrated Products |
![]() Multiplexer Switch ICs Dual 4:1 CMOS Mid Voltage MUX |
![]() Data Sheet |
![]()
|
|
||||||||||||
![]() |
![]() DG509ACJ-2 |
![]() Maxim Integrated Products |
![]() Multiplexer Switch ICs |
![]() Data Sheet |
![]() Negotiable |
|
||||||||||||
(China (Mainland))










