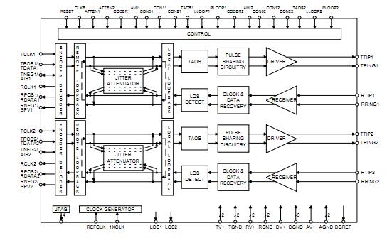
Product Summary
The cs61583-il5 is a dual line interface for T1/E1 applications, designed for high-volume cards where low power and high density are required. Each channel features individual control and status pins which eliminates the need for external microprocessor support. The matched impedance drivers reduce power consumption and provide substantial return loss to insure superior T1/E1 pulse quality.
Parametrics
cs61583-il5 absolute maximum ratings: (1)DC Supply (TV+1, TV+2, RV+1, RV+2, AV+, DV+): 6.0 V; (2)Input Voltage (Any Pin), Vin: RGND - 0.3 to (RV+) + 0.3 V; (3)Input Current (Any Pin), Iin: -10 to 10 mA; (4)Ambient Operating Temperature, TA: -40 to 85 °C; (5)Storage Temperature, Tstg: -65 to 150 °C.
Features
cs61583-il5 features: (1)Dual T1/E1 Line Interface; (2)Low Power Consumption (Typically 220mW per Line Interface); (3)Matched Impedance Transmit Drivers; (4)Common Transmit and Receive Transformers for all Modes; (5)Selectable Jitter Attenuation for Transmit or Receive Paths; (6)Supports JTAG Boundary Scan; (7)Hardware Mode Derivative of the CS61584.
Diagrams

(China (Mainland))






