Product Summary
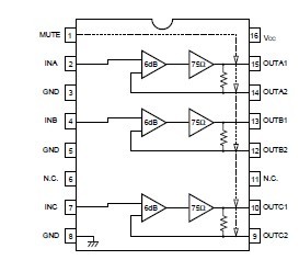
The BA7660FS is a 75Ω driver with a 6dB amplifier and three internal circuits, and provides 75W drive of composite Y signals and C signals, as well as RGB signals. Each load is capable of driving two circuits, and a sag correction function reduces the capacitance of the output coupling capacitor. The input voltage of the BA7660FS is within a range of 0V to 1.5V, enabling direct connection of ordinary D / A converter output. An internal power-saving circuit is also included which provides simultaneous muting on all three channels, and output pin shorting protection. Applications are DVDs, set top boxes and other digital video devices.
Parametrics
BA7660FS absolute maximum ratings: (1)Power supply voltage: 8V; (2)Power dissipation: 650MW; (3)Operating temperature: – 25 ~ + 75°C; (4)Storage temperature: – 55 ~ + 125°C.
Features
BA7660FS features: (1)Can be coupled directly to D / A converter output; (2)Operates at a low power consumption (115mW typ.); (3)Internal output muting circuit; (4)Internal power-saving circuit; (5)Internal output protection circuit; (6)An internal sag correction function makes it possible to reduce the capacitance of the output coupling capacitor; (7)Each load is capable of driving two circuits; (8)The compact 16-pin SSOP-A package is used.
Diagrams

| Image | Part No | Mfg | Description | ![]() |
Pricing (USD) |
Quantity | ||||||
|---|---|---|---|---|---|---|---|---|---|---|---|---|
![]() |
![]() BA7660FS-E2 |
![]() ROHM Semiconductor |
![]() Video ICs DRIVER 75 OHM |
![]() Data Sheet |
![]()
|
|
||||||
![]() |
![]() BA7660FS |
![]() Other |
![]() |
![]() Data Sheet |
![]() Negotiable |
|
||||||
(China (Mainland))










