Product Summary
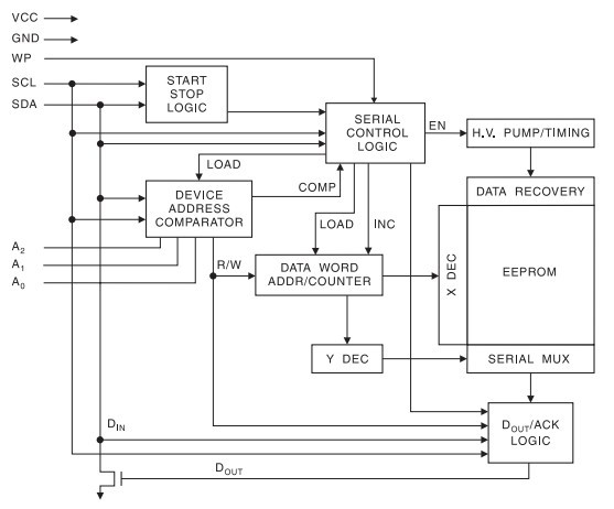
The AT24C02BN-SH-T is a two-wire serial EEPROM. It provides 2048 bits of serial electrically erasable and programmable aread-only memory (EEPROM)organized as 256 words of 8bits each. The device is optimized for use in many industrial and commercial applications where low-power and low-volt age operation are essential. The AT24C02BN-SH-T is available in space-s aving,8-lead PDIP, 8-lead JEDEC SOIC, 8-lead Mini-MAP (MLP 2×3) , 5-lead SOT23, 8-lead TSSOP, and 8-ball dBGA2 packages and is accessed via a Two-wire serial interf ace.In a ddition, the AT24C02BN-SH-T is available in 1. 8 V (1.8V to 5.5V) version.
Parametrics
AT24C02BN-SH-T absolute maximum ratings: (1)opeating temperature: -55 to 125℃; (2)storage temperature: -65 to 150℃; (3)voltage on any pin with respect to ground: -1 to 7V; (4)maximum operating voltage: 6.25V; (5)DC output current: 5mA.
Features
AT24C02BN-SH-T features: (1)Low-voltage and Standard-voltage Operation:– 1.8 (VCC= 1.8V to 5.5V); (2)Internally Organized 256 × 8 (2K); (3)Two-wire Serial Interface; (4)Schmitt Trigger, Filtered Inputs for Noise Suppression; (5)Bidirectional Data Transfer Protocol; (6)1 MHz (5V), 400 kHz (1.8V, 2.5V, 2.7V) Compatibility; (7)Write Protect Pin for Hardware Data Protection; (8)8-byte Page (2K) Write Modes; (9)Partial Page Writes Allowed; (10)Self-timed Write Cycle (5 ms max); (11)High-reliability: Endurance=1 Million Write Cycles;Data Retention=100 Years; (12)8-lead PDIP, 8-lead JEDEC SOIC, 8-lead Mini-MAP (MLP 2×3), 5-lead SOT23,8-lead TSSOP and 8-ball dBGA2 Packages; (13)Lead-free/Halogen-free; (14)Die Sales: Wafer Form, Waffle Pack and Bumped Wafers.
Diagrams

| Image | Part No | Mfg | Description | ![]() |
Pricing (USD) |
Quantity | ||||
|---|---|---|---|---|---|---|---|---|---|---|
![]() |
![]() AT24C02BN-SH-T |
![]() Atmel |
![]() EEPROM 2Kbit 2-Wire Bus AUTO 2.5V |
![]() Data Sheet |
![]() Negotiable |
|
||||
| Image | Part No | Mfg | Description | ![]() |
Pricing (USD) |
Quantity | ||||
![]() |
![]() AT24C |
![]() Other |
![]() |
![]() Data Sheet |
![]() Negotiable |
|
||||
![]() |
![]() AT24C01 |
![]() Other |
![]() |
![]() Data Sheet |
![]() Negotiable |
|
||||
![]() |
![]() AT24C01-10PC |
![]() Atmel |
![]() IC SEEPROM 1K 8DIP |
![]() Data Sheet |
![]() Negotiable |
|
||||
![]() |
![]() AT24C01-10PC-1.8 |
![]() Atmel |
![]() IC SEEPROM 1K 1.8V 8DIP |
![]() Data Sheet |
![]() Negotiable |
|
||||
![]() |
![]() AT24C01-10PC-2.5 |
![]() Atmel |
![]() IC SEEPROM 1K 2.5V 8DIP |
![]() Data Sheet |
![]() Negotiable |
|
||||
![]() |
![]() AT24C01-10PC-2.7 |
![]() Atmel |
![]() IC SEEPROM 1K 2.7V 8DIP |
![]() Data Sheet |
![]() Negotiable |
|
||||
(China (Mainland))











