Product Summary
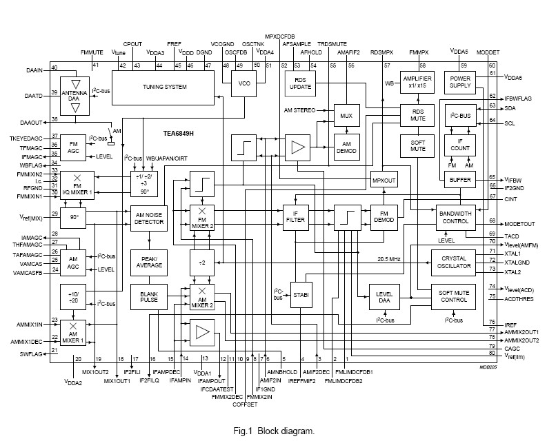
The TEA6849H/V1 is a single IC with car radio tuner for AM, FM and Weather Band (WB) intended for microcontroller tuning with the I2C-bus. It provides the following functions: AM double conversion receiver for LW, MW and SW (31 m, 41 m and 49 m bands) with IF1 = 10.7 MHz and IF2 = 450 kHz; FM double conversion receiver with integrated image rejection for IF1 and for IF2 capable of selecting US FM, US weather, Europe FM, East Europe FM and Japan FM bands; fully integrated dynamic selectivity at 450 kHz FM IF2; FM demodulator with dynamic threshold extension; centre frequency alignment of IF2 selectivity via the I2C-bus; The tuning system includes VCO, crystal oscillator and PLL synthesizer on one chip.
Parametrics
TEA6849H/V1 absolute maximum ratings: (1)analog supply voltage 1 for FM IF amplifier: -0.3 +10 V; (2)analog supply voltage 2 for FM and AM RF: -0.3 +10 V; (3)analog supply voltage 3 for tuning PLL: -0.3 +10 V; (4)analog supply voltage 4 for voltage controlled oscillator: -0.3 +10 V; (5)analog supply voltage 5 for on-chip power supply: -0.3 +6.5 V; (6)analog supply voltage 6 for on-chip power supply: -0.3 +10 V; (7)digital supply voltage: -0.3 +6.5 V; (8)storage temperature: -55 +150℃; (9)ambient temperature: -40 +85℃.
Features
TEA6849H/V1 features: (1)AM mixer 1 for conversion of AM RF to AM IF1 of 10.7 MHz; (2)LC tuner oscillator providing mixer frequencies for FM mixer and AM mixer 1; (3)AM mixer 2 for conversion of AM IF1 to AM IF2 of 450 kHz; (4)FM IF linear amplifier with high dynamic input range; (5)FM mixer 2 for conversion of FM IF1 to FM IF2 of 450 kHz with inherent image rejection.
Diagrams

| Image | Part No | Mfg | Description | ![]() |
Pricing (USD) |
Quantity | ||||
|---|---|---|---|---|---|---|---|---|---|---|
![]() |
![]() TEA6849H/V1 |
![]() NXP Semiconductors |
![]() Tuners NICE/PACS SONY |
![]() Data Sheet |
![]() Negotiable |
|
||||
![]() |
![]() TEA6849H/V1,518 |
![]() NXP Semiconductors |
![]() Tuners NICE/PACS SONY |
![]() Data Sheet |
![]() Negotiable |
|
||||
![]() |
![]() TEA6849H/V1,557 |
![]() NXP Semiconductors |
![]() Tuners NICE/PACS SONY |
![]() Data Sheet |
![]() Negotiable |
|
||||
![]() |
![]() TEA6849H/V1-T |
![]() NXP Semiconductors |
![]() Tuners NICE/PACS SONY |
![]() Data Sheet |
![]() Negotiable |
|
||||
(China (Mainland))










