Product Summary
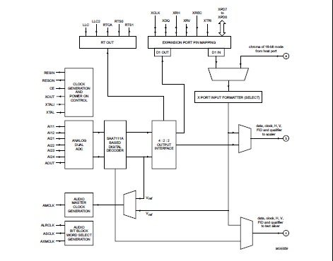
The SAA7112H is a decoder with high-performance scaler HPS for image port PELICAN. It is combination of a two channel analog preprocessing circuit including source-selection, anti-aliasing filter and ADC, an automatic clamp and gain control, a Clock Generation Circuit (CGC), a digital multistandard decoder and a SAA7140B based scaler, including variable horizontal and vertical up and down scaling and a brightness, contrast and saturation control circuit (see Fig.1). Applications are (1)Desktop video; (2)Multimedia; (3)Digital television; (4)Image processing; (5)Video phone.
Parametrics
SAA7112H absolute maximum ratings: (1)Digital supply voltage: 3.0 to 3.6 V; (2)Analog supply voltage: 3.0 to 3.6 V; (3)Ambient temperature: 0 to 70 °C.
Features
SAA7112H features: (1)Six analog inputs, internal analog source selectors; (2)Two analog preprocessing channels, including built in analog anti-alias filters; (3)Fully programmable static gain for the main channels or Automatic Gain Control (AGC)for the selected CVBS/Y channel; (4)Two 8 bit video CMOS Analog-to-Digital Converters (ADCs); (5)Automatic Clamp Control (ACC)for CVBS, Y and C; (6)Switchable white peak control; (7)On-chip line locked clock generation in accordance with CCIR-601.
Diagrams

(China (Mainland))






