Product Summary
The pesd15vs2ut is a double ESD protection diode in SOT-23 package. The pesd15vs2ut is designed to protect up to two transmission or data lines from ElectroStatic Discharge (ESD) damage. Applications of the pesd15vs2ut include: Computers and peripherals, Communication systems Audio and video equipment, High speed data lines and Parallel ports.
Parametrics
pesd15vs2ut absolute maximum ratings: (1) peak pulse power Ppp: 160W (8/20μs pulse) ; (2) peak pulse current 8/20μs pulse;) Ipp: 5A; (3) junction temperature Tj: 150°C; (4) operating ambient temperature Tamb: -65 to 150°C; (5) storage temperature Tstg: -65 to 150°C.
Features
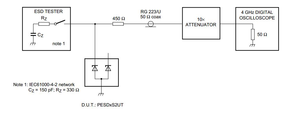
pesd15vs2ut features: (1) Uni-directional ESD protection of up to two lines; (2) Max. peak pulse power: Ppp=330W at t =8/20μs; (3) Low clamping voltage: V(CL) =20V at Ipp =18A; (4) Ultra-low reverse leakage current: IRM<700nA; (5) ESD protection >23kV; (6) IEC 61000-4-2; level 4 (ESD) ; (7) IEC 61000-4-5 (surge) ; Ipp=18A at tp=8/20μs.
Diagrams

| Image | Part No | Mfg | Description | ![]() |
Pricing (USD) |
Quantity | ||||||||||||
|---|---|---|---|---|---|---|---|---|---|---|---|---|---|---|---|---|---|---|
![]() |
![]() PESD15VS2UT,215 |
![]() NXP Semiconductors |
![]() TVS Diode Arrays 15V DUAL ESD PROTECT |
![]() Data Sheet |
![]()
|
|
||||||||||||
| Image | Part No | Mfg | Description | ![]() |
Pricing (USD) |
Quantity | ||||||||||||
![]() PESD0402-060 |
![]() |
![]() ESD PROTECTOR 0402 6VDC POLYMER |
![]() Data Sheet |
![]() Negotiable |
|
|||||||||||||
![]() |
![]() PESD0402-140 |
![]() TE Connectivity / Raychem |
![]() ESD Suppressors SMT 0402 PKG 14VDC PESD PROTECTOR |
![]() Data Sheet |
![]()
|
|
||||||||||||
![]() |
![]() PESD0603-140 |
![]() |
![]() ESD PROTECTOR 0603 14VDC POLYMER |
![]() Data Sheet |
![]() Negotiable |
|
||||||||||||
![]() |
![]() PESD0603-240 |
![]() TE Connectivity / Raychem |
![]() ESD Suppressors SMT 0603 PKG 24VDC PESD PROTECTOR |
![]() Data Sheet |
![]()
|
|
||||||||||||
![]() |
![]() PESD1206Q-140 |
![]() TE Connectivity / Raychem |
![]() ESD Suppressors Surface Mount 1206 14V |
![]() Data Sheet |
![]() Negotiable |
|
||||||||||||
![]() |
![]() PESD1206Q-240 |
![]() TE Connectivity / Raychem |
![]() ESD Suppressors SMT 1206 PKG 24VDC PESD PROTECTOR |
![]() Data Sheet |
![]()
|
|
||||||||||||
(China (Mainland))










