Product Summary
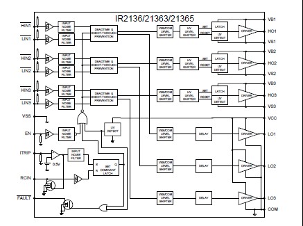
The IR21362SPBF is a high votage, high speed power MOSFET and IGBT driver with three independent high and low side referenced output channels for 3-phase applications. Proprietary HVIC technology enables ruggedized monolithic construction. Logic inputs are compatible with CMOS or LSTTL outputs, down to 3.3V logic. A current trip function which terminates all six outputs can be derived from an external current sense resistor. An enable function is available to terminate all six outputs simultaneously. An open-drain FAULT signal is provided to indicate that an overcurrent or undervoltage shutdown has occurred. Overcurrent fault conditions are cleared automatically after a delay programmed externally via an RC network connected to the RCIN input.
Parametrics
IR21362SPBF absolute maximum ratings: (1)High side floating absolute voltage:VB1,2,3 - 25 to VB1,2,3 + 0.3 V; (2)High side floating supply offset voltage: -0.3 to 625 V; (3)High side floating output voltage: VS1,2,3 - 0.3 to VB1,2,3 + 0.3 V; (4)Low side and logic fixed supply voltage: -0.3 to 25 V; (5)Low side output voltage: -0.3 to VCC + 0.3 V; (6)Programmable dead-time and shut-down pin voltage: VSS - 0.3 to VCC + 0.3 V; (7)FAULT output voltage: VSS - 0.3 to VCC + 0.3 V; (8)Allowable offset supply voltage transient: 50 V/ns; (9)Package power dissipation TA ≤ +25°C (8 Lead PDIP): 1.5 W; (10)Thermal resistance, junction to ambient (8 Lead PDIP): 83 °C/W; (11)Junction temperature: 150 ℃; (12)Storage temperature: -50 to 150 ℃; (13)Lead temperature (soldering, 10 seconds): 300 ℃.
Features
IR21362SPBF features: (1)Gate drive supply range from 10 to 20V; (2)Undervoltage lockout for all channels; (3)Over-current shutdown turns off all six drivers; (4)Independent 3 half-bridge drivers; (5)Matched propagation delay for all channels; (6)Cross-conduction prevention logic; (7)Lower di/dt gate driver for better noise immunity; (8)Externally programmable delay for automatic fault clear; (9)Also available LEAD-FREE.
Diagrams

| Image | Part No | Mfg | Description | ![]() |
Pricing (USD) |
Quantity | ||||||||||||
|---|---|---|---|---|---|---|---|---|---|---|---|---|---|---|---|---|---|---|
![]() |
![]() IR21362SPbF |
![]() International Rectifier |
![]() Power Driver ICs |
![]() Data Sheet |
![]()
|
|
||||||||||||
| Image | Part No | Mfg | Description | ![]() |
Pricing (USD) |
Quantity | ||||||||||||
![]() |
![]() IR2101 |
![]() |
![]() IC DRIVER HIGH/LOW SIDE 8-DIP |
![]() Data Sheet |
![]() Negotiable |
|
||||||||||||
![]() |
![]() IR2101(S) |
![]() Other |
![]() |
![]() Data Sheet |
![]() Negotiable |
|
||||||||||||
![]() |
![]() IR21014 |
![]() International Rectifier |
![]() IC DRIVER HIGH/LOW SIDE 14-DIP |
![]() Data Sheet |
![]() Negotiable |
|
||||||||||||
![]() |
![]() IR21014S |
![]() International Rectifier |
![]() IC DRIVER HIGH/LOW SIDE 14-SOIC |
![]() Data Sheet |
![]() Negotiable |
|
||||||||||||
![]() |
![]() IR2101PBF |
![]() International Rectifier |
![]() Power Driver ICs |
![]() Data Sheet |
![]()
|
|
||||||||||||
![]() |
![]() IR2101S |
![]() |
![]() IC DRIVER HIGH/LOW SIDE 8-SOIC |
![]() Data Sheet |
![]() Negotiable |
|
||||||||||||
(China (Mainland))












