Product Summary
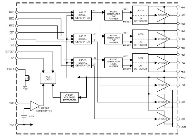
The IR2131J is a high voltage, high speed power MOSFET and IGBT driver with three independent high and low side referenced output channels. Proprietary HVIC technology enables ruggedized monolithic construction. Logic inputs are compatible with CMOS or LSTTL outputs, down to 2.5V logic. A current trip function which terminates all six outputs can be derived from an external current sense resistor. A shutdown input is provided for a customized shutdown function. The IR2131J can be used to drive N-channel power MOSFETs or IGBTs in the high side configuration which operate up to 600 volts.
Parametrics
IR2131J absolute maximum ratings: (1)VB1,2,3 High Side Floating Supply Voltage: min=-0.3 V, max=625 V; (2)VS1,2,3 High Side Floating Offset Voltage: min=VB1,2,3 -25 V, max=VB1,2,3 + 0.3 V; (3)VHO1,2,3 High Side Floating Output Voltage: min=VS1,2,3 - 0.3 V, max=VB1,2,3 + 0.3 V; (4)VCC Low Side and Logic Fixed Supply Voltage: min=-0.3 V, max=25 V; (5)VSS Logic Ground: min=VCC - 25 V, max=VCC + 0.3 V; (6)VLO1,2,3 Low Side Output Voltage: min=-0.3 V, max=VCC + 0.3 V; (7)VIN Logic Input Voltage (HIN1,2,3 ,LIN1,2,3 ,FLT -CLR ,SD&ITRIP): min=VSS - 0.3 V, max=(VSS + 15) V or (VCC + 0.3) V whichever is lower.
Features
IR2131J features: (1)Floating channel designed for bootstrap operation Fully operational to +600V Tolerant to negative transient voltage dV/dt immune; (2)Gate drive supply range from 10 to 20V; (3)Undervoltage lockout for all channels; (4)Over-current shutdown turns off all six drivers; (5)Independent 3 high side & 3 low side drivers; (6)Matched propagation delay for all channels; (7)2.5V logic compatible; (8)Outputs out of phase with inputs.
Diagrams

| Image | Part No | Mfg | Description | ![]() |
Pricing (USD) |
Quantity | ||||||||
|---|---|---|---|---|---|---|---|---|---|---|---|---|---|---|
![]() |
![]() IR2131J |
![]() |
![]() IC DRIVER BRIDGE 3-PHASE 44-PLCC |
![]() Data Sheet |
![]() Negotiable |
|
||||||||
![]() |
![]() IR2131JPBF |
![]() International Rectifier |
![]() Power Driver ICs |
![]() Data Sheet |
![]()
|
|
||||||||
![]() |
![]() IR2131JTRPBF |
![]() International Rectifier |
![]() Power Driver ICs |
![]() Data Sheet |
![]()
|
|
||||||||
![]() |
![]() IR2131JTR |
![]() |
![]() IC DRIVER BRIDGE 3-PHASE 44-PLCC |
![]() Data Sheet |
![]() Negotiable |
|
||||||||
(China (Mainland))










