Product Summary
The BT151-600 is a Silicon Controlled Rectifier. Standard gate triggering SCR is suitable for the application where requiring high bidirectional blocking voltage capability and also suitable for over voltage protection, motor control circuit in power tool, inrush current limit circuit and heating control system.
Parametrics
BT151-600 absolute maximum ratings: (1)Repetitive Peak Off-State Voltage, VDRM: 600 V; (2)Average On-State Current, IT(AV): 7.6 A; (3)R.M.S On-State Current, IT(RMS): 12 A; (4)Surge On-State Current, ITSM: 120 A; (5)I2t for Fusing, I2t: 72 A2s; (6)Critical rate of rise of on-state current, di/dt: 50 A/μs; (7)Forward Peak Gate Power Dissipation, PGM: 5 W; (8)Forward Average Gate Power Dissipation, PG(AV): 0.5 W; (9)Forward Peak Gate Current, IFGM: 2 A; (10)Reverse Peak Gate Voltage, VRGM: 5 V; (11)Operating Junction Temperature, TJ: -40 to 125℃; (12)Storage Temperature, TSTG: -40 to 150℃.
Features
BT151-600 features: (1)Repetitive Peak Off-State Voltage: 600V; (2)R.M.S On-State Current (IT(RMS)= 12 A); (3)Low On-State Voltage (1.4V(Typ.)@ ITM); (4)Non-isolated Type.
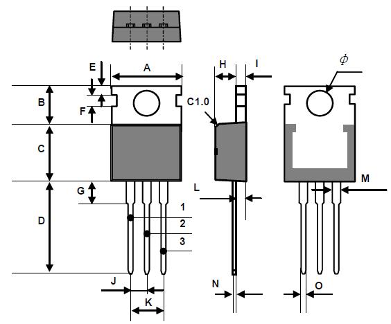
Diagrams

| Image | Part No | Mfg | Description | ![]() |
Pricing (USD) |
Quantity | ||||||||||||
|---|---|---|---|---|---|---|---|---|---|---|---|---|---|---|---|---|---|---|
![]() |
![]() BT151-600 |
![]() Other |
![]() |
![]() Data Sheet |
![]() Negotiable |
|
||||||||||||
| Image | Part No | Mfg | Description | ![]() |
Pricing (USD) |
Quantity | ||||||||||||
![]() |
![]() BT150 |
![]() Other |
![]() |
![]() Data Sheet |
![]() Negotiable |
|
||||||||||||
![]() |
![]() BT1500 |
![]() APC |
![]() UPS - Uninterruptible Power Supplies APC BACK-UPS HT 1500VA 120V |
![]() Data Sheet |
![]() Negotiable |
|
||||||||||||
![]() |
![]() BT1500BP |
![]() APC |
![]() UPS - Uninterruptible Power Supplies APC BACK-UPS HT 1500VABATTERY PACK |
![]() Data Sheet |
![]() Negotiable |
|
||||||||||||
![]() |
![]() BT150-500R |
![]() NXP Semiconductors |
![]() SCRs RAIL SCR |
![]() Data Sheet |
![]() Negotiable |
|
||||||||||||
![]() |
![]() BT150-500R,127 |
![]() NXP Semiconductors |
![]() SCRs RAIL SCR |
![]() Data Sheet |
![]()
|
|
||||||||||||
![]() |
![]() BT150M |
![]() Other |
![]() |
![]() Data Sheet |
![]() Negotiable |
|
||||||||||||
(China (Mainland))













