Product Summary
The 87c52 is an 8-bit microcontroller fabricated with Philips high-density CMOS technology with operation from 2.7 V to 5.5 V. The 87c52 contains a 128 × 8 RAM and 256 × 8 RAM respectively, 32 I/O lines, three 16-bit counter/timers, a six-source, four-priority level nested interrupt structure, a serial I/O port for either multi-processor communications, I/O expansion or full duplex UART, and on-chip oscillator and clock circuits.
Parametrics
87c52 absolute maximum ratings: (1)Operating temperature under bias 0 to +70 or –40 to +85 °C; (2)Storage temperature range –65 to +150 °C; (3)Voltage on EA/VPP pin to VSS 0 to +13.0 V; (4)Voltage on any other pin to VSS –0.5 to +6.5 V; (5)Maximum IOL per I/O pin 15 mA; (6)Power dissipation (based on package heat transfer limitations, not device power consumption) 1.5 W.
Features
87c52 features: (1)Three package styles; (2)Extended temperature ranges; (3)Dual Data Pointers; (4)Security bits:– ROM (2 bits)– OTP/EPROM (3 bits); (5)Encryption array – 64 bytes; (6)4 level priority interrupt; (7)6 interrupt sources; (8)Four 8-bit I/O ports.
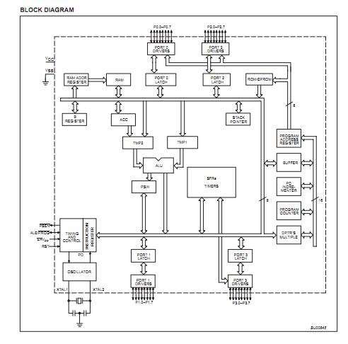
Diagrams

| Image | Part No | Mfg | Description | ![]() |
Pricing (USD) |
Quantity | ||||
|---|---|---|---|---|---|---|---|---|---|---|
![]() |
![]() 87C52 |
![]() Other |
![]() |
![]() Data Sheet |
![]() Negotiable |
|
||||
![]() |
![]() 87C524 |
![]() Other |
![]() |
![]() Data Sheet |
![]() Negotiable |
|
||||
![]() |
![]() 87C528 |
![]() Other |
![]() |
![]() Data Sheet |
![]() Negotiable |
|
||||
![]() |
![]() 87C52T2 |
![]() Other |
![]() |
![]() Data Sheet |
![]() Negotiable |
|
||||
(China (Mainland))









