Product Summary
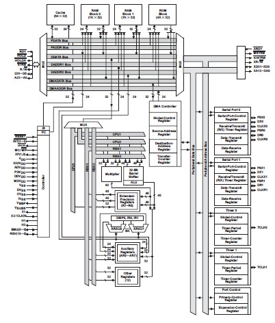
The 5962-9052603mx is a digital signal processor. The 5962-9052603mx internal busing and special digital signal processor (DSP) instruction set has the speed and flexibility to execute up to 50 MFLOPS. The 5962-9052603mx device optimizes speed by implementing functions in hardware that other processors implement through software or microcode. This hardware-intensive approach provides performance previously unavailable on a single chip. The emphasis on total system cost has resulted in a less expensive processor that can be designed into systems currently using costly bit-slice processors.
Parametrics
5962-9052603mx absolute maximum ratings: (1)Supply voltage range, VCC (see Note 3): −0.3 V to 7 V; (2)Input voltage range, VI: − 0.3 V to 7 V; (3)Output voltage range, VO: −0.3 V to 7 V; (4)Continuous power dissipation (see Note 4): 3.15 W; (5)Operating case temperature range, TC: − 55°C to 125°C; (6)Storage temperature range, Tstg: − 65°C to 150°C.
Features
5962-9052603mx features: (1)Two 1K-Word × 32-Bit Single-Cycle Dual-Access On-Chip RAM Blocks; (2)Validated Ada Compiler; (3)64-Word × 32-Bit Instruction Cache; (4)32-Bit Instruction and Data Words, 24-Bit Addresses; (5)40 / 32-Bit Floating-Point /Integer Multiplier and Arithmetic Logic Unit (ALU); (6)Parallel ALU and Multiplier Execution in a Single Cycle; (7)On-Chip Direct Memory Access (DMA)Controller for Concurrent I/O and CPU Operation; (8)Integer, Floating-Point, and Logical Operations.
Diagrams

(China (Mainland))






