Product Summary
The 2SB772 is PNP silicon transistor suited for the output stage of 3W audio amplifier, voltage regulator, DC-DC converter and relay driver.
Parametrics
2SB772 absolute maximum ratings: (1)Storage Temperature: -55 to +150℃; (2)Junction Temperature: 150℃; (3)Total Power Dissipation (TA = 25℃): 1.0W; (4)Total Power Dissipation (TC = 25℃): 10W; (5)Collector to Base Voltage, VCBO: -40V; (6)Collector to Emitter Voltage, VCEO: -30V; (7)Emitter to Base Voltage, VEBO: -5.0V; (8)Collector Current (DC), IC(DC): -3.0A; (9)Collector Current (pulse), IC(pulse): -7.0A.
Features
2SB772 features: (1)Low saturation voltage; (2)Excellent hFE linearity and high hFE; (3)Less cramping space required due to small and thin package; (4)reducing the trouble for attachment to a radiator; (5)No insulator bushing required.
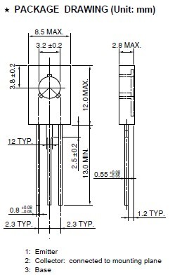
Diagrams

| Image | Part No | Mfg | Description | ![]() |
Pricing (USD) |
Quantity | ||||||||||||
|---|---|---|---|---|---|---|---|---|---|---|---|---|---|---|---|---|---|---|
![]() |
![]() 2SB772 |
![]() STMicroelectronics |
![]() Transistors Bipolar (BJT) PNP Medium Power -30VCEO -5VBEO |
![]() Data Sheet |
![]()
|
|
||||||||||||
![]() |
![]() 2SB772D |
![]() Other |
![]() |
![]() Data Sheet |
![]() Negotiable |
|
||||||||||||
![]() |
![]() 2SB772S |
![]() Other |
![]() |
![]() Data Sheet |
![]() Negotiable |
|
||||||||||||
![]() |
![]() 2SB772T |
![]() Other |
![]() |
![]() Data Sheet |
![]() Negotiable |
|
||||||||||||
(China (Mainland))










