Product Summary
The PMV65XP is a 20V, single p-channel trench MOSFET. Its applications include low power DC-to-DC converters, load switching, battery management, battery powered portable equipment.
Parametrics
PMV65XP absolute maximum ratings: (1)VDS, drain-source voltage: -20V; (2)VGS, gate-source voltage: 12V; (3)ID, drain current: -4.3A; (4)IDM, peak drain current: -16A; (5)Ptot, total power dissipation: 480mW.
Features
PMV65XP features: (1)Low threshold voltage; (2)Low on-state resistance; (3)Trench MOSFET technology.
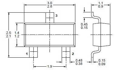
Diagrams

| Image | Part No | Mfg | Description | ![]() |
Pricing (USD) |
Quantity | ||||||||||||
|---|---|---|---|---|---|---|---|---|---|---|---|---|---|---|---|---|---|---|
![]() |
![]() PMV65XP,215 |
![]() NXP Semiconductors |
![]() MOSFET P-CH TRENCH 20V |
![]() Data Sheet |
![]()
|
|
||||||||||||
![]() |
![]() PMV65XP |
![]() Other |
![]() |
![]() Data Sheet |
![]() Negotiable |
|
||||||||||||
(China (Mainland))










