Product Summary
The IRF7457 is a power MOSFET. Applications are (1)High frequency DC-DC isolated converters with synchronous rectification for telecom and industrial use; (2)High frequency buck converters for computer processor power.
Parametrics
IRF7457 absolute maximum ratings: (1)Drain-source voltage: 20 V; (2)Gate-to-source voltage: ± 20 V; (3)Continuous drain current, VGS @ 10V, ID @ TA = 25°C: 15 A; (4)Continuous drain current, VGS @ 10V, ID @ TA = 70°C: 12 A; (5)Pulsed drain current: 120 A; (6)Maximum power dissipation, PD @ TA = 25°C: 2.5 W; (7)Maximum power dissipation, PD @ TA = 70°C: 1.6 W; (8)Linear derating factor: 0.02 W/°C; (9)Junction and storage temperature range: -55 to + 150 °C.
Features
IRF7457 features: (1)Ultra-low RDS(on); (2)Very low gate impedance; (3)Fully characterized avalanche voltage and current.
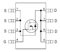
Diagrams

| Image | Part No | Mfg | Description | ![]() |
Pricing (USD) |
Quantity | ||||||||||||
|---|---|---|---|---|---|---|---|---|---|---|---|---|---|---|---|---|---|---|
![]() |
![]() IRF7457 |
![]() |
![]() MOSFET N-CH 20V 15A 8-SOIC |
![]() Data Sheet |
![]() Negotiable |
|
||||||||||||
![]() |
![]() IRF7457PBF |
![]() International Rectifier |
![]() MOSFET |
![]() Data Sheet |
![]()
|
|
||||||||||||
![]() |
![]() IRF7457TRPBF |
![]() International Rectifier |
![]() MOSFET MOSFT 20V 15A 7mOhm 28nC |
![]() Data Sheet |
![]()
|
|
||||||||||||
![]() |
![]() IRF7457TR |
![]() |
![]() MOSFET N-CH 20V 15A 8-SOIC |
![]() Data Sheet |
![]() Negotiable |
|
||||||||||||
(China (Mainland))










