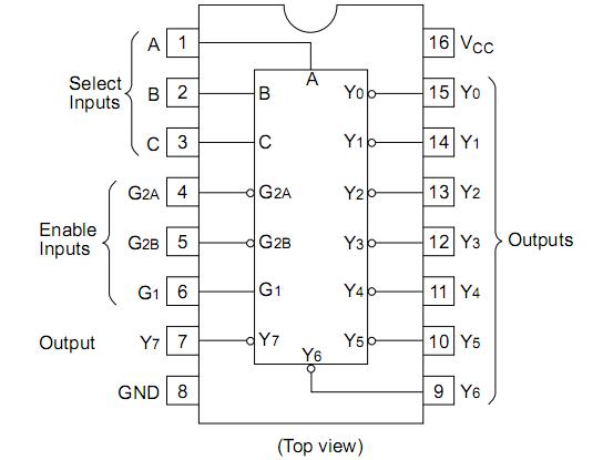
Product Summary
The HD74HC138P is a 3-to-8-line Decoder/Demultiplexer. It has 3 binary select inputs (A, B and C). If the HD74HC138P is enabled these inputs determine which one of the eight normally high outputs will go low. Two active low and one active high enables (G1, G2A and G2B) are provided to ease the cascading of decoders.
Parametrics
HD74HC138P absolute maximum ratings: (1)input voltage: VCC=2.0V, VIH=1.5V;VCC=4.5V, VIH=3.15V;VCC=6.0V, VIH=4.5V;VCC=2.0V, VIL=0.5V;VCC=4.5V, VIL=1.35V;VCC=6.0V, VIL=1.8V;; (2)output voltage:VCC=2.0V, VOH:1.9V to 2.0V;VCC=4.5V, VOH:4.4V to 4.5V;VCC=6.0V, VOH:5.9V to 6.0V;VCC=4.5V, VOH:4.18V;VCC=6.0V, VOH:5.68V;VCC=2.0V, VOL:0.0V to 0.1V;VCC=4.5V, VOL:0.0V to 0.1V;VCC=6.0V, VOL:0.0V to 0.1V;VCC=4.5V, VOL:0.26V to 0.33V;VCC=6.0V, VOL:0.26V to 0.33V;; (3)input current: VCC=6.0V, Lin:±0.1μA; (4)quiescent supply current: VCC=6.0V, Icc:4.0μA to 40μA.
Features
HD74HC138P features: (1)High Speed Operation: tpd (A, B, C to Y)= 16.5 ns typ (CL=50pF); (2)High Output Current: Fanout of 10 LSTTL Loads; (3)Wide Operating Voltage: VCC = 2 V to 6 V; (4)Low Input Current: 1 μA max; (5)Low Quiescent Supply Current: ICC (static) = 4 μA max (Ta =25℃).
Diagrams

(China (Mainland))





