Product Summary
The PS2501-1 is an optically coupled isolator containing a GaAs light emitting diode and an NPN silicon phototransistor. The PS2501-1-A is in a plastic DIP is lead bending type (Gull-wing) for surface mount. The applications of the PS2501-1-A are: Power supply; Telephone/FAX; FA/OA equipment; Programmable logic controller.
Parametrics
PS2501-1 absolute maximum ratings: (1)Reverse Voltage VR: 6 V; (2)Forward Current (DC) IF: 80 mA; (3)Power Dissipation Deratin ΔPD/℃: 1.5 mW/℃; (4)Power Dissipation PD: 150 mW/ch; (5)Peak Forward Current IFP: 1 A; (6)Collector to Emitter Voltage VCEO: 80V; (7)Emitter to Collector Voltage VECO: 7 V; (8)Collector Current IC: 50 mA/ch; (9)Isolation Voltage BV: 5 000 Vr.m.s.; (10)Operating Ambient Temperature TA: -55 to +100 ℃; (11)Storage Temperature Tstg: -55 to +150 ℃.
Features
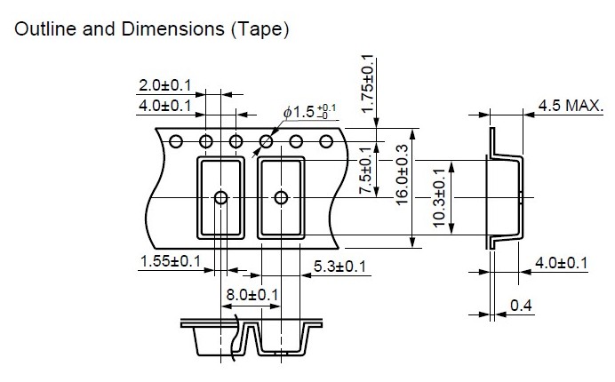
PS2501-1 features: (1)High isolation voltage (BV = 5 000 Vr.m.s.); (2)High collector to emitter voltage (VCEO = 80 V); (3)High-speed switching (tr = 3 μs TYP., tf = 5 μs TYP.); (4)Ordering number of tape product; (5)Safety standards.
Diagrams

| Image | Part No | Mfg | Description | ![]() |
Pricing (USD) |
Quantity | ||||||||||||
|---|---|---|---|---|---|---|---|---|---|---|---|---|---|---|---|---|---|---|
![]() |
![]() PS2501-1 |
![]() CEL |
![]() Transistor Output Optocouplers Hi-Iso Photo 1-Ch OBSOLETE |
![]() Data Sheet |
![]() Negotiable |
|
||||||||||||
![]() |
![]() PS2501-1-A |
![]() CEL |
![]() Transistor Output Optocouplers Hi-Iso Photo 1-Ch |
![]() Data Sheet |
![]()
|
|
||||||||||||
![]() |
![]() PS2501-1-D-A |
![]() CEL |
![]() Transistor Output Optocouplers Hi-Iso Photo 1-Ch CTR RANK D:100-300% |
![]() Data Sheet |
![]()
|
|
||||||||||||
![]() |
![]() PS2501-1-H |
![]() CEL |
![]() Transistor Output Optocouplers Hi-Iso Photo 1-Ch |
![]() Data Sheet |
![]() Negotiable |
|
||||||||||||
![]() |
![]() PS2501-1-H-A |
![]() CEL |
![]() Transistor Output Optocouplers Hi-Iso Photo 1-Ch |
![]() Data Sheet |
![]()
|
|
||||||||||||
![]() |
![]() PS2501-1-K |
![]() CEL |
![]() Transistor Output Optocouplers Hi-Iso Photo 1-Ch |
![]() Data Sheet |
![]() Negotiable |
|
||||||||||||
![]() |
![]() PS2501-1-K-A |
![]() CEL |
![]() Transistor Output Optocouplers Hi-Iso Photo 1-Ch |
![]() Data Sheet |
![]()
|
|
||||||||||||
![]() |
![]() PS2501-1-L-A |
![]() CEL |
![]() Transistor Output Optocouplers Hi-Iso Photo 1-Ch |
![]() Data Sheet |
![]()
|
|
||||||||||||
(China (Mainland))






