Product Summary
The uc3842bng is a High Performance Current Mode Controller. The uc3842bng is high performance fixed frequency current mode controllers. The integrated circuit feature a trimmed oscillator for precise duty cycle control, a temperature compensated reference, high gain error amplifier, current sensing comparator, and a high current totem pole output ideally suited for driving a power MOSFET.
Parametrics
uc3842bng absolute maximum ratings: (1)Bias and Driver Voltages (Zero Series Impedance, see also Total Device spec): 30 V; (2)Total Power Supply and Zener Current: 30 mA; (3)Output Current, Source or Sink: 1.0 A; (4)Output Energy (Capacitive Load per Cycle): 5.0μJ; (5)Current Sense and Voltage Feedback Inputs: -0.3 to + 5.5 V; (6)Error Amp Output Sink Current: 10 mA.
Features
uc3842bng features: (1)Trimmed Oscillator for Precise Frequency Control; (2)Oscillator Frequency Guaranteed at 250 kHz; (3)Current Mode Operation to 500 kHz; (4)Automatic Feed Forward Compensation; (5)Latching PWM for Cycle-By-Cycle Current Limiting; (6)Internally Trimmed Reference with Under voltage Lockout; (7)High Current Totem Pole Output; (8)Under voltage Lockout with Hysteresis; (9)Low Startup and Operating Current; (10)Pb-Free Packages are Available.
Diagrams

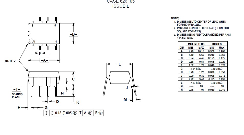
| Image | Part No | Mfg | Description | ![]() |
Pricing (USD) |
Quantity | ||||||||||||
|---|---|---|---|---|---|---|---|---|---|---|---|---|---|---|---|---|---|---|
![]() |
![]() UC3842BNG |
![]() ON Semiconductor |
![]() Current Mode PWM Controllers 52kHz 1A Current PWM w/96% Duty Cycle Max |
![]() Data Sheet |
![]()
|
|
||||||||||||
| Image | Part No | Mfg | Description | ![]() |
Pricing (USD) |
Quantity | ||||||||||||
![]() |
![]() UC3803X |
![]() Other |
![]() |
![]() Data Sheet |
![]() Negotiable |
|
||||||||||||
![]() |
![]() UC3823 |
![]() Other |
![]() |
![]() Data Sheet |
![]() Negotiable |
|
||||||||||||
![]() |
![]() UC3823A |
![]() Other |
![]() |
![]() Data Sheet |
![]() Negotiable |
|
||||||||||||
![]() |
![]() UC3823ADW |
![]() Texas Instruments |
![]() Current Mode PWM Controllers High Speed PWM Controller |
![]() Data Sheet |
![]()
|
|
||||||||||||
![]() |
![]() UC3823ADWG4 |
![]() Texas Instruments |
![]() Current Mode PWM Controllers High Speed PWM Controller |
![]() Data Sheet |
![]()
|
|
||||||||||||
![]() |
![]() UC3823ADWTR |
![]() Texas Instruments |
![]() Current Mode PWM Controllers High Speed PWM Controller |
![]() Data Sheet |
![]()
|
|
||||||||||||
(China (Mainland))










