Product Summary
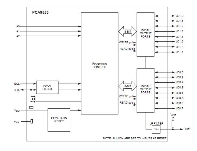
The pca9555pw is a 24-pin CMOS device. The pca9555pw provides 16 bits of General Purpose parallel Input/Output (GPIO) expansion for I2C/SMBus applications and was developed to enhance the Philips family of IC I/O expanders. The improvements of the pca9555pw include higher drive capability, 5 V I/O tolerance, lower supply current, individual I/O configuration, and smaller packaging. I/O expanders provide a simple solution when additional I/O is needed for ACPI power switches, sensors, pushbuttons, LEDs, fans, etc. The pca9555pw consists of two 8-bit Configuration.
Parametrics
pca9555pw absolute maximum ratings: (1)VDD, Supply voltage: –0.5 to 6.0 V; (2)VI/O, DC input current on an I/O VSS: –0.5 to 6 V; (3)II/O DC, output current on an I/O: ±50 mA; (4)II, DC input current: ±20 mA; (5)IDD, Supply current: 160 mA; (6)ISS, Supply current: 200 mA; (7)Ptot, Total power dissipation: 200 mW; (8)Tstg, Storage temperature range: –65 +150 ℃; (9)Tamb, Operating ambient temperature: –40 +85 ℃.
Features
pca9555pw features: (1)Operating power supply voltage range of 2.3 V to 5.5 V; (2)5 V tolerant I/Os; (3)Polarity inversion register; (4)Active-LOW interrupt output; (5)Low stand-by current; (6)Noise filter on SCL/SDA inputs; (7)No glitch on power-up; (8)Internal power-on reset; (9)16 I/O pins which default to 16 inputs; (10)0 kHz to 400 kHz clock frequency; (11)ESD protection exceeds 2000 V HBM per JESD22-A114, 200 V MM per JESD22-A115, and 1000 V CDM per JESD22-C101; (12)Latch-up testing is done to JESDEC Standard JESD78 which exceeds 100 mA; (13)Five packages offered: DIP24, SO24, SSOP24, TSSOP24, and HVQFN24.
Diagrams

| Image | Part No | Mfg | Description | ![]() |
Pricing (USD) |
Quantity | ||||||||||||
|---|---|---|---|---|---|---|---|---|---|---|---|---|---|---|---|---|---|---|
![]() |
![]() PCA9555PW |
![]() Texas Instruments |
![]() I/O Expanders, Repeaters & Hubs Remote 16-Bit I2C & SMBus I/O Expander |
![]() Data Sheet |
![]()
|
|
||||||||||||
![]() |
![]() PCA9555PW,112 |
![]() NXP Semiconductors |
![]() I/O Expanders, Repeaters & Hubs I2C/SMBUS 16BIT GPIO |
![]() Data Sheet |
![]()
|
|
||||||||||||
![]() |
![]() PCA9555PW/DG,118 |
![]() NXP Semiconductors |
![]() I/O Expanders, Repeaters & Hubs 16-BT I2C/SMBUS |
![]() Data Sheet |
![]()
|
|
||||||||||||
![]() |
![]() PCA9555PW,118 |
![]() NXP Semiconductors |
![]() I/O Expanders, Repeaters & Hubs 16-BIT I2C FM TP GPIO INT PU |
![]() Data Sheet |
![]()
|
|
||||||||||||
![]() |
![]() PCA9555PWE4 |
![]() Texas Instruments |
![]() I/O Expanders, Repeaters & Hubs Remote 16-Bit I2C & SMBus I/O Expander |
![]() Data Sheet |
![]()
|
|
||||||||||||
![]() |
![]() PCA9555PW/DG-T |
![]() NXP Semiconductors |
![]() I/O Expanders, Repeaters & Hubs 16-BT I2C/SMBUS I/O PORT W/INT |
![]() Data Sheet |
![]() Negotiable |
|
||||||||||||
![]() |
![]() PCA9555PWR |
![]() Texas Instruments |
![]() I/O Expanders, Repeaters & Hubs Remote 16-Bit I2C & SMBus I/O Expander |
![]() Data Sheet |
![]()
|
|
||||||||||||
![]() |
![]() PCA9555PWG4 |
![]() Texas Instruments |
![]() I/O Expanders, Repeaters & Hubs Rem 16B I2C & SMBus I/O Expander |
![]() Data Sheet |
![]()
|
|
||||||||||||
(China (Mainland))










