Product Summary
The mn13821-r(tx) CMOS LSI that monitor the power supply voltage supplied to microcomputers and other LSI systems and issue reset signals for initializing the system after the power is first applied or for preventing runaway operation when the supply voltage fluctuates. Applications are (1)Battery checkers; (2)Power outage detectors; (3)Level discriminators; (4)Memory backup systems; (5)Microcomputer reset circuits; (6)Reset circuits for other electronic circuits.
Parametrics
mn13821-r(tx) absolute maximum ratings: (1)Power supply voltage VDD: 7.0 V; (2)Output voltage VO: – 0.3 to VDD +0.3 V; (3)Operating ambient temperature Ta: –20 to +70 °C; (4)Storage temperature Tstg: –55 to +125 °C; (5)Power supply current IDD VDD = 5 V: 1 to 5 mA.
Features
mn13821-r(tx) features: (1)Three-pin element requiring no adjustment; (2)Wide selection of detection ranks (17 ranks between 2.0 and 4.9 volts); (3)Highly precise detection voltage; (4)Wide selection of output types: CMOS output, Nchannel open drain output, and inverted CMOS output; (5)Wide selection of package types: M, TO-92, and a mini type for surface mounting.
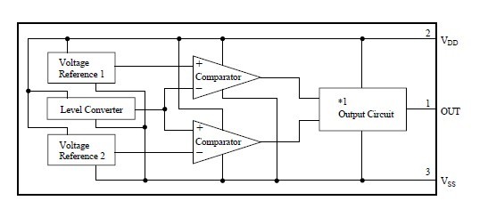
Diagrams

(China (Mainland))






