Product Summary
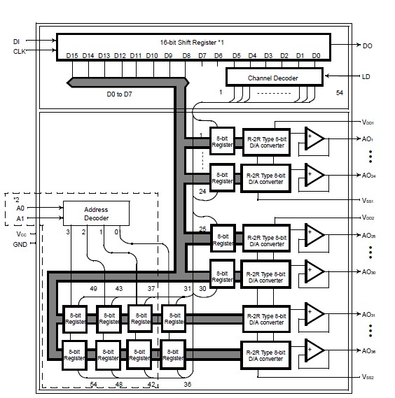
The MB88342PF-G-BNG-ER is an 8-bit 36 channels D/A converters which have two reference voltage to use 36 channels as 12 channels and 24 channels independently. Each output channels has an operational amplifier output buffer and so large current drive is possible. In the MB88342PF-G-BNG-ER, 6 Channels of DAC output (AO31-AO36) have four data registers each and so, the analog output can be changed by the address input from A0 and A1 pins.
Parametrics
MB88342PF-G-BNG-ER absolute maximum ratings: (1)Power supply voltage Ta = +25°C: -0.3 to 7.0 V; (2)Power supply voltage GND = 0 V, VDD1 ≤ VCC, VDD2 ≤ VCC: –0.3 to 7.0 V; (3)Input voltage Ta = +25°C: 0.3 to VCC + 0.3 V; (4)Output voltage GND = 0 V Should not exceed VCC + 0.3 V: -0.3 to VCC + 0.3 V; (5)Power dissipation: 250 mW; (6)Operating ambient temperature: –20 to +85 °C; (7)Storage temperature: –55 to +150 °C.
Features
MB88342PF-G-BNG-ER features: (1)Ultra low power consumption: Type. 1.1mW/channel; (2)Ultra small package; (3)Conversion method: R-2R resistor ladder; (4)On-chip operational amplifier output buffers: Max. +1.0/–1.0mA analog output sink/source current capability; (5)Analog data output range: 0 to VCC [V]; (6)Two analog output reference voltage: Analog data can be output in different reference voltages.
Diagrams

(China (Mainland))






