Product Summary
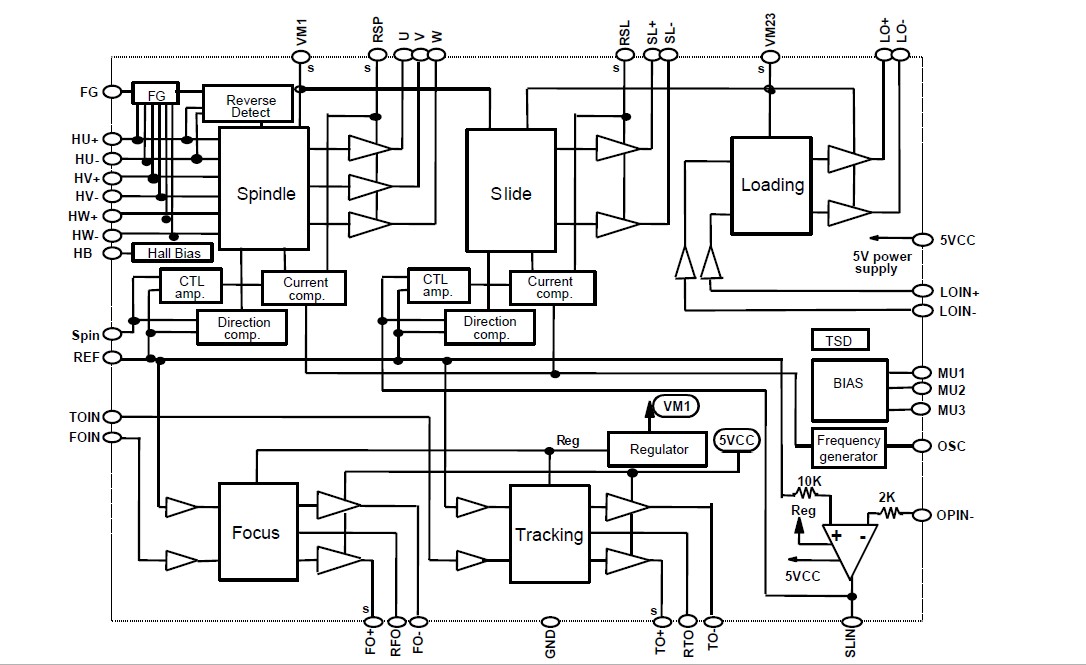
The M63016FP is a spindle motor and 4ch actuator drive IC. Application is CD-ROM, DVD, DVD-ROM, DVD-RAM,Optical disc related system,etc.
Parametrics
M63016FP absolute maximum ratings: (1)5V power supply, Focus and Tracking power supply: 7 V; (2)Motor power supply 1 Spindle power supply: 15 V; (3)Motor power supply 23, Slide and Loading power supply: 15 V; (4)Motor Output Current A, Spindle output current with external shottky diode: 1.5 A; (5)Motor Output Current B, Slide output current with external shottky diode: 1.2 A; (6)Motor Output Current C, Focus,Tracking and Loading output current: 1.0 A; (7)Maximum input voltage of terminals,MU1,MU2,MU3,Hw-,Hw+,Hv-,Hv+,Hu-,Hu+,REF, Spin,TOIN,FOIN,OSC,Opin -,LOIN -,LOIN+: 0 to 5VCC V; (8)Power dissipation Free Air and on the grass epoxy board: 2.6 W; (9)Thermal dera ting,Free Air and on the grass epoxy board: 20.8 mW / ℃; (10)Junction temperature: 150 ℃; (11)Operating temperature: -20 to +75 ℃; (12)Storage temperature: -40 to +150 ℃.
Features
M63016FP features: (1)This IC is 1 chip driver IC for Spindle Motor and 4 channel actuators. All of the Motor and actuator of optical disk drive system (CD-ROM etc.)can be driven by only this IC; (2)This IC has current control drive system for Focus, Tracking, Spindle and Slide channel drive, also has a direct PWM control system for Spindle and Slide channels drive due TO reducing IC power dissipation.; (3)This IC has three voltage supply terminals(for Spindle Slide/Loading and Focus/Tracking), and three voltage supply can be set separately; (4)Further more this IC has an operational amplifier for Slide input, FG amplifier, thermal shut down circuit, standby circuit, channel SELECT function,reverse rotation detect circuit and Short braking SELECT.
Diagrams

| Image | Part No | Mfg | Description | ![]() |
Pricing (USD) |
Quantity | ||||
|---|---|---|---|---|---|---|---|---|---|---|
![]() |
![]() M63016FP_1242638 |
![]() Other |
![]() |
![]() Data Sheet |
![]() Negotiable |
|
||||
| Image | Part No | Mfg | Description | ![]() |
Pricing (USD) |
Quantity | ||||
![]() |
![]() M630 |
![]() Other |
![]() |
![]() Data Sheet |
![]() Negotiable |
|
||||
![]() |
![]() M63000SP |
![]() Other |
![]() |
![]() Data Sheet |
![]() Negotiable |
|
||||
![]() |
![]() M63001FP |
![]() Other |
![]() |
![]() Data Sheet |
![]() Negotiable |
|
||||
![]() |
![]() M63010FP |
![]() Other |
![]() |
![]() Data Sheet |
![]() Negotiable |
|
||||
![]() |
![]() M63013FP |
![]() Other |
![]() |
![]() Data Sheet |
![]() Negotiable |
|
||||
![]() |
![]() M63015FP |
![]() Other |
![]() |
![]() Data Sheet |
![]() Negotiable |
|
||||
(China (Mainland))









