Product Summary
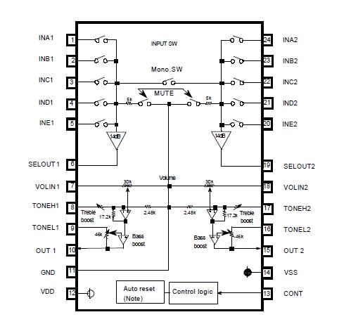
The M62495AFP is a sound controller IC developd mini-stereo set,general audio equipment. By serial data from microcomputer, it can realize sound controller of selecter and 2band tone control easily.
Parametrics
M62495AFP absolute maximum ratings: (1)Supply voltage: 6.0 V; (2)Thermal derating: 5 mW/℃; (3)Power dissipation: 500 mW; (4)Operating temperature: -20 to 75 ℃; (5)Storage temperature: -40 to 125 ℃.
Features
M62495AFP features: (1)Input selector (4mode); (2)Volume(0 ~ -84dB,the infinitesimal); (3)REC OUT(on/off SW)or MIC mixing; (4)20dB amp; (5)T one control(Bass/Treble); (6)Stereo/mono.SW.
Diagrams

| Image | Part No | Mfg | Description | ![]() |
Pricing (USD) |
Quantity | ||||
|---|---|---|---|---|---|---|---|---|---|---|
![]() |
![]() M62495AFP |
![]() Other |
![]() |
![]() Data Sheet |
![]() Negotiable |
|
||||
| Image | Part No | Mfg | Description | ![]() |
Pricing (USD) |
Quantity | ||||
![]() |
![]() M624 |
![]() Other |
![]() |
![]() Data Sheet |
![]() Negotiable |
|
||||
![]() |
![]() M62409FP |
![]() Other |
![]() |
![]() Data Sheet |
![]() Negotiable |
|
||||
![]() |
![]() M62413FP |
![]() Other |
![]() |
![]() Data Sheet |
![]() Negotiable |
|
||||
![]() |
![]() M62415P |
![]() Other |
![]() |
![]() Data Sheet |
![]() Negotiable |
|
||||
![]() |
![]() M62419FP |
![]() Other |
![]() |
![]() Data Sheet |
![]() Negotiable |
|
||||
![]() |
![]() M62420_1242503 |
![]() Other |
![]() |
![]() Data Sheet |
![]() Negotiable |
|
||||
(China (Mainland))









