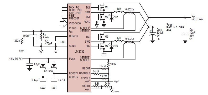
Product Summary
The LTC3735EG/TR is a 2-phase synchronous step-down switching regulator controller that drives all N-channel power MOSFETs in a constant frequency architecture. The output voltage of the LTC3735EG/TR is programmable by six VID bits during normal operation and by external resistors during initial boot-up and deeper sleep state. Applications are (1)Mobile and Desktop Computers; (2)Internet Servers.
Parametrics
LTC3735EG/TR absolute maximum ratings: (1)Input Supply Voltage (PVCC): 7V to – 0.3V; (2)Topside Driver Voltages (BOOST1,2): 38V to –0.3V; (3)Switch Voltage (SW1, 2): 32V to –5V; (4)Boosted Driver Voltages (BOOST1-SW1, BOOST2-SW2): 7V to –0.3V; (5)DPRSLPVR, STP_CPUB, MCH_PG, PGOOD, RDPRSLP, RDPSLP, RBOOT Voltages : 5V to –0.3V; (6)RUN/SS, PSIB, FREQSET Voltages : 7V to – 0.3V; (7)VID0-VID5 Voltages : 5V to – 0.3V; (8)VFB, Voltage: 2V to –0.3V; (9)VOA +, VOA – : 3.6V to –0.3V; (10)Peak Gate Drive Current <1μs (TG1, TG2, BG1, BG2): 5A; (11)Operating Ambient Temperature Range (Note 2): –40°C to 85°C; (12)Junction Temperature (Note 3): 125°C; (13)Storage Temperature Range SSOP: –65°C to 150°C, QFN: –65°C to 125°C; (14)QFN Reflow Peak Body Temperature: 260°C; (15)Lead Temperature (Soldering, 10 sec): 300°C.
Features
LTC3735EG/TR features: (1)Output Stages Operate Antiphase; (2)±1% Output Voltage Accuracy; (3)6-Bit IMVP-IV VID Code: VOUT = 0.7V to 1.708V; (4)Intel Compatible Power Saving Mode (PSIB); (5)Stage Shedding Improves Low Current Efficiency; (6)Power Good Output with Adaptive Masking; (7)Lossless Voltage Positioning; (8)Dual Input Supply Capability for Load Sharing; (9)Resistor Programmable VOUT at Boot-Up and Deeper Sleep State; (10)Resistor Programmable Deep Sleep Offset; (11)Programmable Fixed Frequency: 210kHz to 550kHz; (12)Adjustable Soft-Start Current Ramping.
Diagrams

(China (Mainland))






