Product Summary
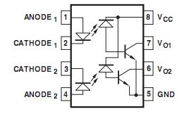
The hcpl-2531#500 is a dual channel optocoupler. It contains a pair of light emitting diodes and integrated photo-detec tors with electrical insulation between input and output. The hcpl-2531#500 is available in an 8 Pin DIP and in an industry standard SO-8 package. The following is a cross reference table listing the 8 Pin DIP part number and the electrically equivalent SO-8 part number. The applications of the hcpl-2531#500 are Line receivers, High speed logic ground isolation, Replace pulse transformers, Analog signal ground isolation, Polarity sensing, Isolated analog amplifier.
Parametrics
hcpl-2531#500 absolute maximum ratings: (1)Storage Temperature:-55 to 125℃; (2)Operating Temperature:-55 to 100℃; (3)Average Forward Input Current:25 mA(each channel); (4)Peak Forward Input Current (each channel):50 mA(50% duty cycle, 1 ms pulse width); (5)Peak Transient Input Current (each channel):1A(≤ 1μs pulse width, 300 pps); (6)Reverse LED Input Voltage (each channel):5V; (7)Input Power Dissipation (each channel):45mW; (8)Average Output Current (each channel):8mA; (9)Peak Output Current:16mA; (10)Supply Voltage (Pin 8-5):-0.5 to 30V; (11)Output Voltage (Pins 7-5, 6-5):-0.5 to 20V; (12)Output Power Dissipation (each channel):35mW ; (13)Lead Solder Temperature:260℃.
Features
hcpl-2531#500 features: (1)15 kV/μs minimum common mode transient immunity at VCM = 1500 V; (2)TTL compatible; (3)Available in 8 pin DIP, SO-8, and 8 pin DIP-gull wing surface mount (option 020) packages; (4)High density packaging; (5)3 MHz bandwidth; (6)Open collector outputs.
Diagrams

| Image | Part No | Mfg | Description | ![]() |
Pricing (USD) |
Quantity | ||||||||||||
|---|---|---|---|---|---|---|---|---|---|---|---|---|---|---|---|---|---|---|
![]() |
![]() HCPL-2531#500 |
![]() Avago Technologies |
![]() High Speed Optocouplers 1MBd 2Ch 16mA |
![]() Data Sheet |
![]()
|
|
||||||||||||
| Image | Part No | Mfg | Description | ![]() |
Pricing (USD) |
Quantity | ||||||||||||
![]() |
![]() HCPL-0201 |
![]() Avago Technologies |
![]() High Speed Optocouplers 5MBd 1Ch 1.6mA |
![]() Data Sheet |
![]()
|
|
||||||||||||
![]() |
![]() HCPL-0201#060 |
![]() Avago Technologies |
![]() High Speed Optocouplers 5MBd 1Ch 1.6mA |
![]() Data Sheet |
![]()
|
|
||||||||||||
![]() |
![]() HCPL-0201#500 |
![]() Avago Technologies |
![]() High Speed Optocouplers 5MBd 1Ch 1.6mA |
![]() Data Sheet |
![]()
|
|
||||||||||||
![]() |
![]() HCPL-0201#560 |
![]() Avago Technologies |
![]() High Speed Optocouplers 5MBd 1Ch 1.6mA |
![]() Data Sheet |
![]()
|
|
||||||||||||
![]() |
![]() HCPL-0201-000E |
![]() Avago Technologies |
![]() High Speed Optocouplers 5MBd 1Ch 1.6mA |
![]() Data Sheet |
![]()
|
|
||||||||||||
![]() |
![]() HCPL-0201-060E |
![]() Avago Technologies |
![]() High Speed Optocouplers 5MBd 1Ch 1.6mA |
![]() Data Sheet |
![]()
|
|
||||||||||||
(China (Mainland))









