Product Summary
The EPM7128AETC144-5 is a programmable logic device.
Parametrics
EPM7128AETC144-5 absolute maximum ratings: (1)Supply voltage With respect to ground (2): –0.5 to 4.6 V; (2)DC input voltage: –2.0 to 5.75 V; (3)DC output current, per pin: –25 to 25 mA; (4)Storage temperature No bias: –65 to 150 ° C; (5)Ambient temperature Under bias: –65 to 135 ° C; (6)Junction temperature BGA, FineLine BGA, PQFP, and TQFP packages, under bias: 135 ° C.
Features
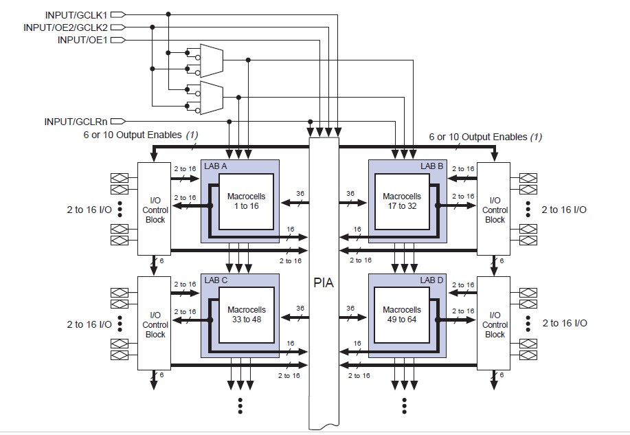
EPM7128AETC144-5 features: (1)High-performance 3.3-V EEPROM-based programmable logic devices (PLDs)built on second-generation Multiple Array MatriX architecture; (2)3.3-V in-system programmability (ISP)through the built-in IEEE Std. 1149.1 Joint Test Action Group (JTAG)interface with advanced pin-locking capability: MAX 7000AE device in-system programmability (ISP)circuitry compliant with IEEE Std. 1532; EPM7128A and EPM7256A device ISP circuitry compatible with IEEE Std. 1532; (3)Built-in boundary-scan test (BST)circuitry compliant with IEEE Std. 1149.1; (4)Supports JEDEC Jam Standard Test and Programming Language (STAPL)JESD-71; (5)Enhanced ISP features: Enhanced ISP algorithm for faster programming (excluding EPM7128A and EPM7256A devices): ISP_Done bit to ensure complete programming (excluding EPM7128A and EPM7256A devices)Pull-up resistor on I/O pins during in-system programming; (6)Pin-compatible with the popular 5.0-V MAX 7000S devices; (7)High-density PLDs ranging from 600 to 10,000 usable gates; (8)Extended temperature range.
Diagrams

| Image | Part No | Mfg | Description | ![]() |
Pricing (USD) |
Quantity | ||||||
|---|---|---|---|---|---|---|---|---|---|---|---|---|
![]() |
![]() EPM7128AETC144-5 |
![]() |
![]() IC MAX 7000 CPLD 128 144-TQFP |
![]() Data Sheet |
![]()
|
|
||||||
![]() |
![]() EPM7128AETC144-5N |
![]() |
![]() IC MAX 7000 CPLD 128 144-TQFP |
![]() Data Sheet |
![]()
|
|
||||||
(China (Mainland))









