Product Summary
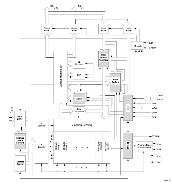
The E28F016SA-70 is a high-performance 16-Mbit (16,777,216 bit) block erasable nonvolatile random access memory organized as either 1 Mword x 16 or 2 Mbyte x 8. The E28F016SA-70 includes thirtytwo 64-KB (65,536) blocks or thirty-two 32-KW (32,768) blocks. A chip memory map is shown in Figure 4.
Parametrics
E28F016SA-70 absolute maximum ratings: (1)Operating Temperature, Commercial: 0 to 70 °C; (2)VCC with Respect to GND: –0.2 to 7.0 V; (3)VPP Supply Voltage with Respect to GND: –0.2 to 14.0 V; (4)Voltage on Any Pin (Except VCC, VPP)with Respect to GND: –0.5 to VCC +0.5 V; (5)Current into Any Non-Supply Pin: ± 30 mA; (6)Output Short Circuit Current: 100 mA; (7)Temperature under Bias: 0°C to +80°C; (8)Storage Temperature: –65°C to +125°C.
Features
E28F016SA-70 features: (1)Page Buffer Writes to Flash; (2)Command Queueing Capability; (3)Automatic Data Programs during Erase; (4)Software Locking of Memory Blocks; (5)Two-Byte Successive Programs in 8-bit Systems; (6)Erase All Unlocked Blocks.
Diagrams

(China (Mainland))






