Product Summary
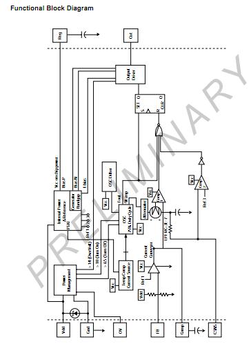
The as998n is a PWM Controller. The as998n is an IC intended for use as a PWM controller for switch mode power supplies. The device is particularly suited as a primary side controller for adapter, printer, peripheral, mobile chargers and desktop auxiliary power supplies. The as998n is manufactured in BICMOS technology and exhibits very low start-up and operating power. This allows the device to be suitable in applications where stringent standby or Blue Angel criteria are required.
Parametrics
as998n absolute maximum ratings: (1)Supply Voltage (Low Impedance Source), VDD: 13 V; (2)Supply Current (High Impedance Source), IDD: 15 mA; (3)Output Peak Current, IOUT: 600 mA; (4)Regulator Current, IREG: 10 mA; (5)Continuous Power at 25°C 8L SOIC PD: 750 mW; 8L PDIP 1000 mW; (6)Junction Temperature, TJ: 150 °C; (7)Storage Temperature, TSTG: – 65 to 150 °C; (8)Lead Temperature, Soldering 10 Seconds TL: 300 °C.
Features
as998n features: (1)Low start-up current 64 μA (Typ); (2)Low running current 2 mA (Typ); (3)Low power light load mode; (4)Low power standby when OV is activated; (5)Extended commercial operating temperature range: 0 to 105°C; (6)On-board fixed frequency oscillator 100kHz (Typ); (7)Frequency randomizer to reduce EMC emissions; (8)Dedicated OV shutdown pin; (9)On-board voltage ramp compensation; (10)On-board current sensing filtering; (11)Optional primary side regulation.
Diagrams

(China (Mainland))






