Product Summary
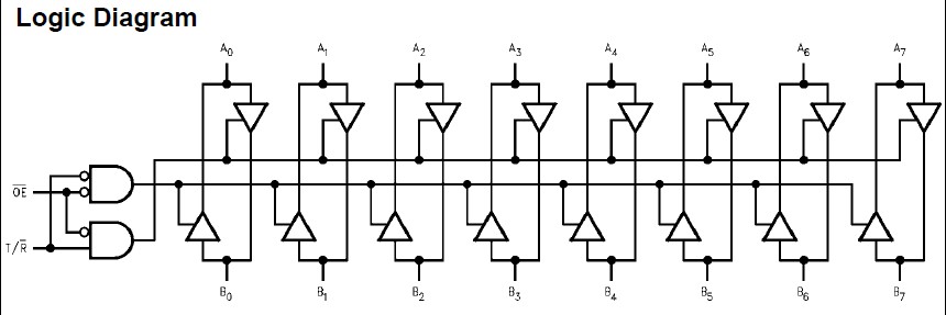
The 74LVXC4245QSCX is a 24-pin dual-supply, 8-bit configurable voltage interface transceiver suited for PCMCIA and other real time configurable I/O applications. The VCCA pin accepts a 5V supply level. The “A” Port is a dedicated 5V port. The VCCB pin accepts a 3V-to-5V supply level. The “B” Port is configured to track the VCCB supply level respectively. A 5V level on the VCC pin will configure the I/O pins at a 5V level and a 3V VCC will configure the I/O pins at a 3V level. This device will allow the VCCB voltage source pin and I/O pins on the “B” Port to float when OE is HIGH. The 74LVXC4245QSCX feature is necessary to buffer data to and from a PCMCIA socket that permits PCMCIA cards to be inserted and removed during normal operation.
Parametrics
74LVXC4245QSCX absolute maximum ratings: (1)Supply Voltage (VCCA,VCCB): -0.5V to +7.0V; (2)DC Input Voltage (VI)@ OE, T/R: -0.5V to VCCA +0.5V; (3)DC Input/Output Voltage (VI/O)An: -0.5V to VCCA +0.5V; (4)DC Input/Output Voltage (VI/O)Bn: -0.5V to VCCB +0.5V; (5)DC Input Diode Current (IIK)OE, T/R: ±20 mA; (6)DC Output Diode Current (IOK): ±50 mA; (7)DC Output Source or Sink Current (IO): ±50 mA; (8)DC VCC or Ground Current Per Output Pin (ICC or IGND): ±50 mA; (9)and Max Current: ±200 mA; (10)Storage Temperature Range (TSTG): -65°C to +150°C; (11)DC Latch-Up Source or Sink Current: ±300 mA.
Features
74LVXC4245QSCX features: (1)Bidirectional interface between 5V and 3V-to-5V buses; (2)Control inputs compatible with TTL level; (3)Outputs source/sink up to 24 mA; (4)Guaranteed simultaneous switching noise level and dynamic threshold performance; (5)Implements patented EMI reduction circuitry; (6)Flexible VCCB operating range; (7)Allows B Port and VCCB to float simultaneously when OE is HIGH; (8)Functionally compatible with the 74 series 245.
Diagrams

| Image | Part No | Mfg | Description | ![]() |
Pricing (USD) |
Quantity | ||||||||||||
|---|---|---|---|---|---|---|---|---|---|---|---|---|---|---|---|---|---|---|
![]() |
![]() 74LVXC4245QSCX |
![]() Fairchild Semiconductor |
![]() Bus Transceivers 8-Bit Dual Sup Trans |
![]() Data Sheet |
![]()
|
|
||||||||||||
| Image | Part No | Mfg | Description | ![]() |
Pricing (USD) |
Quantity | ||||||||||||
![]() |
![]() 74LV00 |
![]() Other |
![]() |
![]() Data Sheet |
![]() Negotiable |
|
||||||||||||
![]() |
![]() 74LV00BQ,115 |
![]() NXP Semiconductors |
![]() Gates (AND / NAND / OR / NOR) 3.3V QUAD 2-INPUT |
![]() Data Sheet |
![]()
|
|
||||||||||||
![]() |
![]() 74LV00D |
![]() Other |
![]() |
![]() Data Sheet |
![]() Negotiable |
|
||||||||||||
![]() |
![]() 74LV00D,112 |
![]() NXP Semiconductors |
![]() Gates (AND / NAND / OR / NOR) QUAD 2-INPUT NAND |
![]() Data Sheet |
![]()
|
|
||||||||||||
![]() |
![]() 74LV00D,118 |
![]() NXP Semiconductors |
![]() Gates (AND / NAND / OR / NOR) QUAD 2-INPUT NAND |
![]() Data Sheet |
![]()
|
|
||||||||||||
![]() |
![]() 74LV00DB,112 |
![]() NXP Semiconductors |
![]() Gates (AND / NAND / OR / NOR) QUAD 2-INPUT NAND |
![]() Data Sheet |
![]()
|
|
||||||||||||
(China (Mainland))












