Product Summary
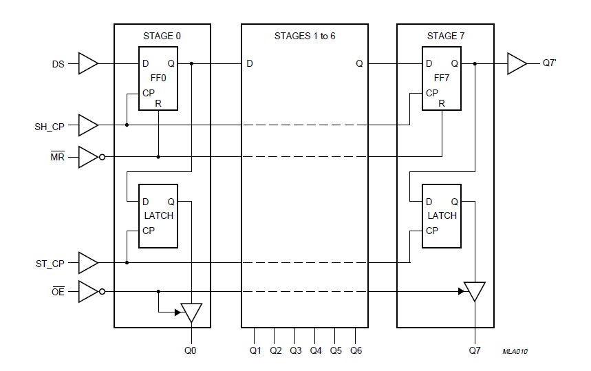
The 74HC595 is high-speed Si-gate CMOS device and is pin compatible with low power Schottky TTL (LSTTL). The 74HC595 is specified in compliance with JEDEC standard no. 7A. The 74HC595 is an 8-stage serial shift register with a storage register and 3-state output. The shift register and storage register have separate clocks.
Parametrics
74HC595 absolute maximum ratings: (1)supply voltage: -0.5 to +7.0 V; (2)input diode current: ±20 mA; (3)output diode current: ±20 mA; (4)VCC or GND current: ±70 mA; (5)storage temperature: -65 to +150 °C; (6)power dissipation: 500 mW.
Features
74HC595 features: (1)8-bit serial input; (2)8-bit serial or parallel output; (3)Storage register with 3-state outputs; (4)Shift register with direct clear; (5)100 MHz (typical)shift out frequency; (6)ESD protection: HBM EIA/JESD22-A114-A exceeds 2000 V; (7)ESD protection: MM EIA/JESD22-A115-A exceeds 200 V.
Diagrams

| Image | Part No | Mfg | Description | ![]() |
Pricing (USD) |
Quantity | ||||||||||||
|---|---|---|---|---|---|---|---|---|---|---|---|---|---|---|---|---|---|---|
![]() |
![]() 74HC595 |
![]() Other |
![]() |
![]() Data Sheet |
![]() Negotiable |
|
||||||||||||
![]() |
![]() 74HC595BQ,115 |
![]() NXP Semiconductors |
![]() Counter Shift Registers 8-BIT SHIFT REGISTER |
![]() Data Sheet |
![]()
|
|
||||||||||||
![]() |
![]() 74HC595D |
![]() Other |
![]() |
![]() Data Sheet |
![]() Negotiable |
|
||||||||||||
![]() |
![]() 74HC595D,112 |
![]() NXP Semiconductors |
![]() Counter Shift Registers 8BIT SHIFT REGISTER W/OUTPUT LATCH |
![]() Data Sheet |
![]()
|
|
||||||||||||
![]() |
![]() 74HC595D,118 |
![]() NXP Semiconductors |
![]() Counter Shift Registers 8-BIT SHIFT REG W/OUTPUT LATCH |
![]() Data Sheet |
![]()
|
|
||||||||||||
![]() |
![]() 74HC595DB |
![]() NXP Semiconductors |
![]() Counter Shift Registers 8-BIT SHIFT REGISTER |
![]() Data Sheet |
![]() Negotiable |
|
||||||||||||
![]() |
![]() 74HC595DB,112 |
![]() NXP Semiconductors |
![]() Counter Shift Registers 8-BIT SHIFT REGISTER |
![]() Data Sheet |
![]()
|
|
||||||||||||
![]() |
![]() 74HC595DB,118 |
![]() NXP Semiconductors |
![]() Counter Shift Registers 8-BIT SHIFT REG |
![]() Data Sheet |
![]()
|
|
||||||||||||
(China (Mainland))











