Product Summary
The rb160va-40 is a Schottky barrier diode. The application of the RB160VA-40TR includes General rectification.
Parametrics
rb160va-40 absolute maximum ratings: (1)Reverse voltage(repetitve peak), VRM: 40V; (2)Reverse voltage (DC), VR: 40V; (3)Average rectified forward current, IO: 1A; (4)Forward peak surge current(60Hz·1cyc), IFSM: 5A; (5)Junction temperature, TJ: 150℃; (6)Storage temperature, Tstg: -40 to +150℃.
Features
rb160va-40 features: (1)Small mold type. (TUMD2); (2)Low IF, Low IR; (3)High reliability.
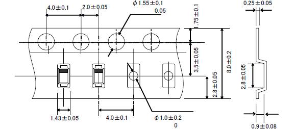
Diagrams

| Image | Part No | Mfg | Description | ![]() |
Pricing (USD) |
Quantity | ||||||||||||
|---|---|---|---|---|---|---|---|---|---|---|---|---|---|---|---|---|---|---|
![]() |
![]() RB160VA-40 |
![]() Other |
![]() |
![]() Data Sheet |
![]() Negotiable |
|
||||||||||||
![]() |
![]() RB160VA-40TR |
![]() ROHM Semiconductor |
![]() Schottky (Diodes & Rectifiers) SCHOTTKYTUMD2 T/R |
![]() Data Sheet |
![]()
|
|
||||||||||||
(China (Mainland))










