Product Summary
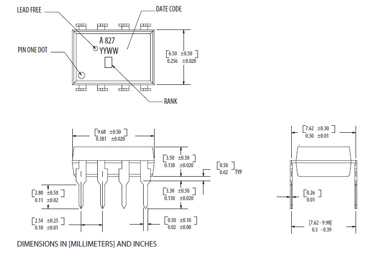
The acpl-827-00be is a Multi-Channel Full-Pitch Phototransistor Optocoupler. The acpl-827-00be is a DC-input dual channel full-pitch phototransistor optocoupler which contains two light emitting diode optically coupled to two separate transistor. It is packaged in a 8-pin DIP package. Likewise, the acpl-827-00be is a DC-input quad channel full-pitch phototransistor optocoupler which contains four light emitting diode optically coupled to four separate transistor. It is packaged in a 16-pin DIP package For both types, it is also available in wide-lead spacing option and lead bend SMD option with input-output isolation voltage at 5000 Vrms. Response time, tr, is typically 4 μs and minimum CTR is 50% at input current of 5 mA. The applications of the acpl-827-00be include I/O Interface for Programmable controllers, computers, Sequence controllers, System appliances, measuring instruments, Signal transmission between circuits of different potentials and impedances.
Parametrics
acpl-827-00be absolute maximum ratings: (1)Storage Temperature: -55 to 125 ℃; (2)Operating Temperature: -30 to 100 ℃; (3)Average Forward Current: 50 mA; (4)Input Power Dissipation: 70 mW; (5)Input Reverse Voltage: 6 V; (6)Collector Current: 50 mA; (7)Collector-Emitter Voltage: 70 V; (8)Emitter-Collector Voltage: 6 V; (9)Collector Power Dissipation: 150 mW; (10)Total Power Dissipation: 200 mW.
Features
acpl-827-00be features: (1)Current transfer ratio (CTR: min. 50% at IF = 5mA, VCE = 5V); (2)High input-output isolation voltage (VISO = 5,000VRMS); (3)Response time (tr: typ. 4μs at VCE = 2V, IC = 2mA, RL= 100W); (4)Compact dual-in-line package.
Diagrams

| Image | Part No | Mfg | Description | ![]() |
Pricing (USD) |
Quantity | ||||||||||||
|---|---|---|---|---|---|---|---|---|---|---|---|---|---|---|---|---|---|---|
![]() |
![]() ACPL-827-00BE |
![]() Avago Technologies |
![]() Transistor Output Optocouplers 5000 Vrms 50% CTR |
![]() Data Sheet |
![]()
|
|
||||||||||||
| Image | Part No | Mfg | Description | ![]() |
Pricing (USD) |
Quantity | ||||||||||||
![]() |
![]() ACPL-054L-000E |
![]() Avago Technologies |
![]() High Speed Optocouplers Optocouplers 1MBd |
![]() Data Sheet |
![]()
|
|
||||||||||||
![]() |
![]() ACPL-054L-060E |
![]() Avago Technologies |
![]() High Speed Optocouplers Optocouplers 1MBd |
![]() Data Sheet |
![]()
|
|
||||||||||||
![]() |
![]() ACPL-054L-500E |
![]() Avago Technologies |
![]() High Speed Optocouplers Optocouplers 1MBd |
![]() Data Sheet |
![]()
|
|
||||||||||||
![]() |
![]() ACPL-054L-560E |
![]() Avago Technologies |
![]() High Speed Optocouplers Optocouplers 1MBd |
![]() Data Sheet |
![]()
|
|
||||||||||||
![]() |
![]() ACPL-061L-000E |
![]() Avago Technologies |
![]() High Speed Optocouplers Optocouplers 10MBd |
![]() Data Sheet |
![]()
|
|
||||||||||||
![]() |
![]() ACPL-061L-060E |
![]() Avago Technologies |
![]() High Speed Optocouplers Optocouplers 10MBd |
![]() Data Sheet |
![]()
|
|
||||||||||||
(China (Mainland))












