Product Summary
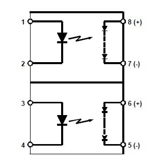
The PVI5013RS is a photovoltaic isolator. It is a dualchannel, opto-isolated driver capable of directly driving gates of power MOSFETs or IGBTs. The PVI5013RS utilizes a monolithic integrated circuit photovoltaic generator of novel construction as its output. The output is controlled by radiation from a GaAlAs light emitting diode (LED) which is optically isolated from the photovoltaic generator. The PVI5013RS is ideally suited for applications requiring high-current and/or high voltage switching with optical isolation between the lowlevel driving circuitry and high-energy or highvoltage load circuits. The PVI5013RS can be used for directly driving gates of power MOSFETs. The dualchannel configuration allows its outputs to drive independent discrete power MOSFETs, or be connected in parallel or in series to provide higher-current drive for power MOSFETs or higher-voltage drive for IGBTs. Applications are (1)Telecommunications; (2)Load distribution; (3)Industrial controls; (4)Instrumentation and measurement.
Parametrics
PVI5013RS absolute maximum ratings: (1)Min. Input current: 5.0 mA; (2)Input Current range (See Fig. 1): 3.0 to 25 mA; (3)Max. Continuous input current @ TA=+25°C: 40 mA; (4)LED forward voltage drop @ 5mA, TA=+25°C (See Fig. 3): 1.4 V; (5)Max. Reverse voltage: 7.0 V; (6)Max. Reverse current @ -7VDC, TA=+25°C: 10 μA; (7)Min. Forward voltage: 8.0 VDC; (8)Max. Reverse current: 10 μADC; (9)Min. Dielectric strength, input-output: 3750 VRMS; (10)Min. Dielectric strength, output-to-output: 1200 VDC; (11)Max. Capacitance, input-output: 5.0 pF; (12)Max. Pin soldering temperature (10 seconds max.): +260 °C; (13)Ambient temperature range: Operating: -40 to +85 °C; Storage: -40 to +125 °C.
Features
PVI5013RS features: (1)Monolithic construction; (2)3,750 VRMS I/O isolation; (3)1,200 VDC output-to-output isolation; (4)Dual-Channel application flexibility; (5)Solid-State reliability; (6)UL and CSA certifications pending.
Diagrams

| Image | Part No | Mfg | Description | ![]() |
Pricing (USD) |
Quantity | ||||||||||||
|---|---|---|---|---|---|---|---|---|---|---|---|---|---|---|---|---|---|---|
![]() |
![]() PVI5013RS |
![]() |
![]() IC ISO PHOTOVOLTC 8V 40MA 8-SMD |
![]() Data Sheet |
![]()
|
|
||||||||||||
![]() |
![]() PVI5013RSPBF |
![]() International Rectifier |
![]() Transistor Output Optocouplers |
![]() Data Sheet |
![]()
|
|
||||||||||||
![]() |
![]() PVI5013RS-TPBF |
![]() International Rectifier |
![]() Transistor Output Optocouplers 2 Form A Photo Voltaic Isolator |
![]() Data Sheet |
![]()
|
|
||||||||||||
![]() |
![]() PVI5013RS-T |
![]() International Rectifier |
![]() IC ISO PHOTOVOLTC 8V 40MA 8-SMD |
![]() Data Sheet |
![]()
|
|
||||||||||||
(China (Mainland))








