Product Summary
The 5962-8957201EC is a kind of dual channel, hermetically sealed, high CMR, line receiver optocoupler. The product is capable of operation and storage over the full military temperature range and can be purchased as either a standard product or with full MIL-PRF-38534 Class Level H or K testing, or from the DLA Standard Microcircuit Drawing (SMD) 5962-89572. Typical applications of the 5962-8957201EC include: (1)Military and space; (2)High reliability systems; (3)Isolated line receiver; (4)Simplex/multiplex data transmission; (5)Computer-peripheral interface; (6)Microprocessor system interface; (7)Harsh environmental environments; (8)Digital isolation for A/D, D/A conversion; (9)Current sensing; (10)Instrument input/output isolation; (11)Ground loop elimination; (12)Pulse transformer replacement.
Parametrics
5962-8957201EC absolute maximum ratings: (1)Storage Temperature:-65 to 125℃; (2)Operating Temperature:-55 to 125℃; (3)Forward Input Current:60 mA(each channel); (4)Reverse Input Current:60 mA; (5)Supply Voltage (1 minute max):7 V; (6)Enable Input Voltage (each channel):5.5V; (7)Output Collector Current (each channel):24mA; (8)Output Collector Power Dissipation (each channel):40mW; (9)Output Collector Voltage (each channel):7V; (10)Total Package Power Dissipation:564mW; (11)Input Power Dissipation (each channel):168mW.
Features
5962-8957201EC features: (1)Dual marked with device part number and DLA standard microcircuit drawing; (2)Manufactured and tested on a MIL-PRF-38534 certified line; (3)QML-38534, Class H and Class K; (4)Hermetically sealed 16-pin dual in-line package; (5)Performance guaranteed over full military temperature range: -55 to +125℃; (6)High speed: 10 Mb/s; (7)Accepts a broad range of drive conditions; (8)Adaptive line termination included; (9)Internal shield provides excellent common mode rejection; (10)External base lead allows LED Peaking and LED current adjustment; (11)1500 Vdc withstand test voltage; (12)High radiation immunity; (13)HCPL-2602 function compatibility; (14)Reliability data available.
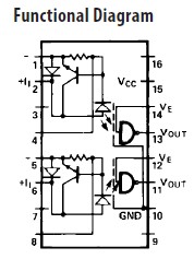
Diagrams

| Image | Part No | Mfg | Description | ![]() |
Pricing (USD) |
Quantity | ||||||||||
|---|---|---|---|---|---|---|---|---|---|---|---|---|---|---|---|---|
![]() |
![]() 5962-8957201EC |
![]() Avago Technologies |
![]() High Speed Optocouplers 10MBd 1500Vdc Hermetically sealed |
![]() Data Sheet |
![]()
|
|
||||||||||
| Image | Part No | Mfg | Description | ![]() |
Pricing (USD) |
Quantity | ||||||||||
![]() |
![]() 5962 |
![]() Pomona Electronics |
![]() Test Clips TEST CLIP 20/24 P |
![]() Data Sheet |
![]() Negotiable |
|
||||||||||
![]() |
![]() 5962(1"x36yd) |
![]() 3M Electronic Specialty |
![]() Tapes & Mastics 5962 1 X 36 YD BULK |
![]() Data Sheet |
![]()
|
|
||||||||||
![]() |
![]() 5962-0051401VPA |
![]() Texas Instruments |
![]() Power Driver ICs Non-Inverting Hi Spd Pwr Drvr |
![]() Data Sheet |
![]()
|
|
||||||||||
![]() |
![]() 5962-0152001VPA |
![]() Texas Instruments |
![]() Power Driver ICs Comp Hi Crnt MOSFET Drvr |
![]() Data Sheet |
![]()
|
|
||||||||||
![]() |
![]() 5962-0254501MZA |
![]() National Semiconductor (TI) |
![]() Operational Amplifiers - Op Amps |
![]() Data Sheet |
![]()
|
|
||||||||||
![]() |
![]() 5962-0254501VPA |
![]() National Semiconductor (TI) |
![]() Operational Amplifiers - Op Amps |
![]() Data Sheet |
![]()
|
|
||||||||||
(China (Mainland))







