Product Summary
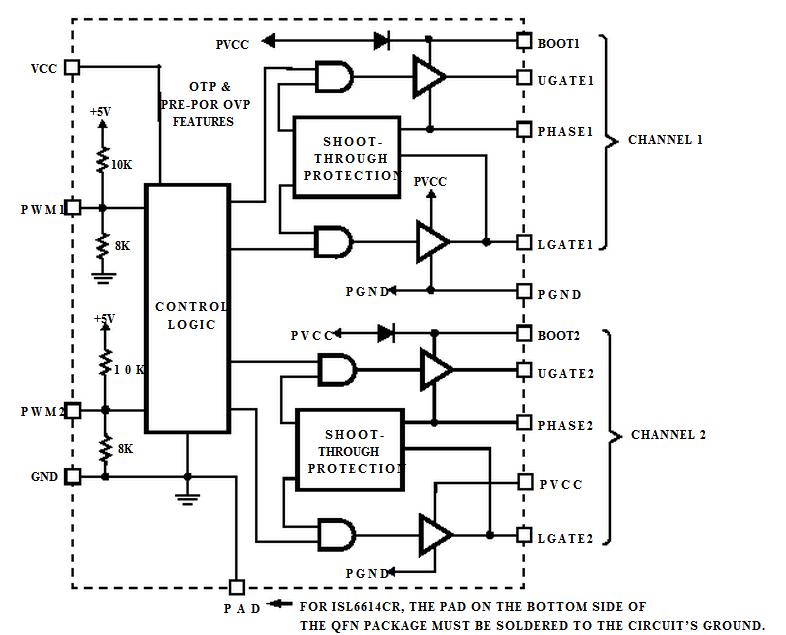
The ISL6614CBZ-T is a dual advanced synchronous rectified buck MOSFET driver with protection features. It is specifically designed to drive two independent power channels in a Multi-Phase interleaved buck converter topology. The ISL6614CBZ-T combined with HIP63xx or ISL6614CB Multi-Phase Buck PWM controllers and N-Channel MOSFETs form complete core-voltage regulator solutions for advanced microprocessor.
Parametrics
ISL6614CBZ-T absolute maximum ratings: (1)supply voltage: 15V; (2)BOOT voltage: 36V; (3)input voltage: GND-0.3 to 7V; (4)maximum junction temperature: 150℃; (5)maximum storage temperature range: -65 to 150℃; (6)maximum lead temperature: 300℃.
Features
ISL6614CBZ-T features: (1)Adjustable Gate Voltage (5V to 12V) for Optimal Efficiency; (2)Internal Bootstrap Schottky Diode; (3)Bootstrap Capacitor Overcharging Prevention; (4)Supports High Switching Frequency (up to 1MHz); (5)Three-State PWM Input for Output Stage Shutdown; (6)Pre-POR Overvoltage +Protection; (7)VCC Undervoltage Protection; (8)Over Temperature Protection (OTP) with 42°C Hysteresis; (9)Expandable Bottom Copper Pad for Enhanced Heat Sinking.
Diagrams

| Image | Part No | Mfg | Description | ![]() |
Pricing (USD) |
Quantity | ||||||
|---|---|---|---|---|---|---|---|---|---|---|---|---|
![]() |
![]() ISL6614CBZ-T |
![]() |
![]() IC DRIVER DUAL SYNC BUCK 14-SOIC |
![]() Data Sheet |
![]()
|
|
||||||
![]() |
![]() ISL6614CBZ-TR5214 |
![]() |
![]() IC DRVR DUAL SYNC BUCK 14-SOIC |
![]() Data Sheet |
![]()
|
|
||||||
![]() |
![]() ISL6614CBZ-TR5238 |
![]() |
![]() IC DRVR DUAL SYNC BUCK 14-SOIC |
![]() Data Sheet |
![]()
|
|
||||||
(China (Mainland))









