Product Summary
The dg417dj is a monolithic CMOS analog switch. It is designed to provide high performance switching of analog signals. Combining low power, low leakages, high speed, low on-resistance and small physical size, the dg417dj is ideally suited for portable and battery powered industrial and military applications requiring high performance and efficient use of board space. The applications of the dg417dj include: Precision Test Equipment, Precision Instrumentation, Battery Powered Systems, Sample-and-Hold Circuits, Military Radios, Guidance and Control Systems, Hard Disk Drives.
Parametrics
dg417dj absolute maixmum ratings: (1)Voltages Referenced V+ to V-: 44V; (2)GND: 25V; (3)VL: (GND - 0.3) to (V+) + 0.3 V; (4)Digital Inputs, VS, VD: (V-) - 2 to (V+) + 2 or 30 mA, whichever occurs first; (5)Current , (Any Terminal) Continuous: 30mA; (6)Current, S or D (Pulsed at 1 ms, 10 % duty cycle): 100mA; (7)Storage Temperature(AK Suffix): 65 to 150℃; (DJ, DY Suffix): - 65 to 125℃; (8)Power Dissipation (Package) 8-Pin Plastic MiniDIP: 400mW; 8-Pin Narrow SOICd: 400 mW; 8-Pin CerDIPe: 600mW.
Features
dg417dj features: (1)±15 V Analog Signal Range; (2)On-Resistance - rDS(on): 20Ω; (3)Fast Switching Action - tON: 100 ns; (4)Ultra Low Power Requirements - PD: 35 nW; (5)TTL and CMOS Compatible; (6)MiniDIP and SOIC Packaging; (7)44 V Supply Max Rating.
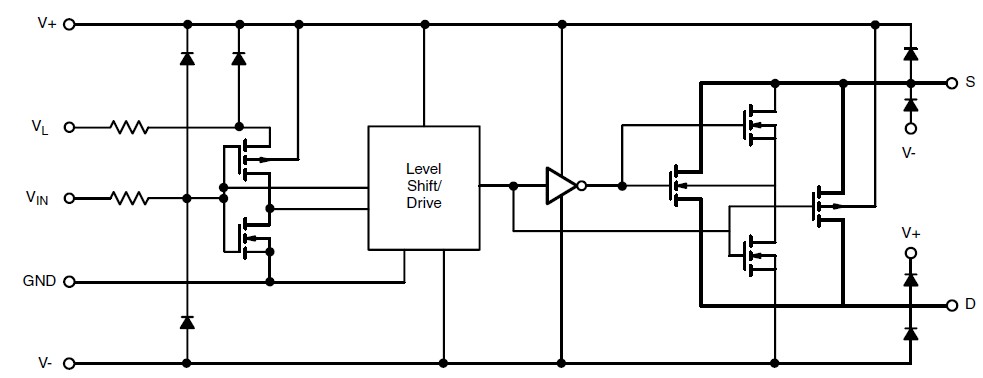
Diagrams

| Image | Part No | Mfg | Description | ![]() |
Pricing (USD) |
Quantity | ||||||||||||
|---|---|---|---|---|---|---|---|---|---|---|---|---|---|---|---|---|---|---|
![]() |
![]() DG417DJ |
![]() Vishay/Siliconix |
![]() Analog Switch ICs SPST Analog Switch |
![]() Data Sheet |
![]()
|
|
||||||||||||
![]() |
![]() DG417DJ-E3 |
![]() Vishay/Siliconix |
![]() Analog Switch ICs SPST Analog Switch |
![]() Data Sheet |
![]()
|
|
||||||||||||
(China (Mainland))









