Product Summary
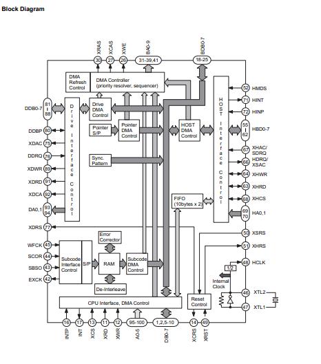
The CXD1198AQ is a CD-ROM subcode decoder LSI. CD-ROM drive is one kind application of the CXD1198AQ.
Parametrics
CXD1198AQ absolute maximum ratings: (1) Supply voltage Vcc: -0.5 to +7.0V; (2) Input voltage VI: -0.5 to VDD +0.5V; (3) Output voltage Vo: -0.5 to VDD +0.5V; (4) Operating temperature Topr: -20 to +75°C; (5) Storage temperature tstg: -55 to +150°C.
Features
CXD1198AQ features: (1) Real time error correction of subcodes; (2) Connection possible with DRAM up to 1 MB as buffer memory; (3) Automatic generation of sync patterns; (4) Error pointer buffering function (separated mode, mixed mode; (5) 4MB/s maximum rate for transferring data with SCSI control LSI.
Diagrams

| Image | Part No | Mfg | Description | ![]() |
Pricing (USD) |
Quantity | ||||
|---|---|---|---|---|---|---|---|---|---|---|
![]() |
![]() CXD1198AQ |
![]() Other |
![]() |
![]() Data Sheet |
![]() Negotiable |
|
||||
| Image | Part No | Mfg | Description | ![]() |
Pricing (USD) |
Quantity | ||||
![]() |
![]() CXD1156Q |
![]() Other |
![]() |
![]() Data Sheet |
![]() Negotiable |
|
||||
![]() |
![]() CXD1159AQ |
![]() Other |
![]() |
![]() Data Sheet |
![]() Negotiable |
|
||||
![]() |
![]() CXD1162P |
![]() Other |
![]() |
![]() Data Sheet |
![]() Negotiable |
|
||||
![]() |
![]() CXD1170M |
![]() Other |
![]() |
![]() Data Sheet |
![]() Negotiable |
|
||||
![]() |
![]() CXD1171M |
![]() Other |
![]() |
![]() Data Sheet |
![]() Negotiable |
|
||||
![]() |
![]() CXD1172AM |
![]() Other |
![]() |
![]() Data Sheet |
![]() Negotiable |
|
||||
(China (Mainland))









