Product Summary
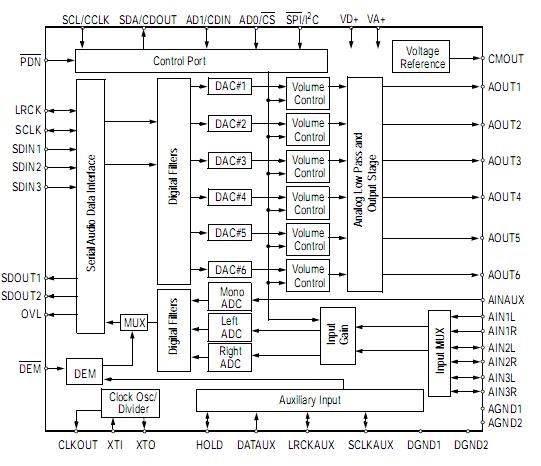
The cs4227-kq is a single-chip codec providing stereo analog-to-digital and six digital-to-analog converter using delta-sigma conversion techniques. The cs4227-kq also contains volume controls that are independently selectable for each of the six D/A channels Applications of the cs4227-kq include: Dolby Pro-logic, THX , and Dolby Digital AC-3 home theater systems, DSP based car audio systems, and other multi-channel applications.
Parametrics
cs4227-kq absolute maximum ratings: (1) Power Supplies: VD+ (Digital) : -0.3 to 6.0V,VA+(Analog) : -0.3 to 6.0V; (2) Input Current: ±10mA; (3) Analog Input Voltage: -0.7 to (VA+) +0.7V; (4) Digital Input Voltage: -0.7 to (VD+) +0.7V; (5) Ambient Temperature: -55 to +125°C; (6) Storage Temperature: -65 to +150°C.
Features
cs4227-kq features: (1) Stereo 20-bit A/D Converters; (2) Six 20-bit D/A Converters; (3) 108 dB DAC Signal-to-Noise Ratio (EIAJ) ; (4) Mono 20-bit A/D Converter; (5) Programmable Input Gain & Output Attenuation; (6) On-chip Anti-aliasing and Output Smoothing Filters; (7) De-emphasis for 32 kHz, 44.1 kHz, 48kHz.
Diagrams

(China (Mainland))






