Product Summary
The usblc6-2sc6 is a monolithic Application Specific Device dedicated to ESD protection of high speed interfaces such as USB2.0, Ethernet links and Video lines. The very low line capacitance secures a high level of signal integrity without compromising inprotection sensitive chips against the most stringent characterized ESD strikes. The applications of the usblc6-2sc6 include USB2.0 ports at 480Mbps (high speed) and USB OTG ports, Backwards Compatible with USB1.1 Low andfull speed, Ethernet port: 10/100Mb/s, SIM card protection, Video line protection, Portable and mobile electronics.
Parametrics
usblc6-2sc6 absolute maximum ratings: (1)VPP, Peak pulse voltage, At device level: IEC61000-4-2 air discharge: 15kV; IEC61000-4-2 contact discharge: 15kV; MIL STD883C-Method 3015-6: 25kV; (2)Tstg, Storage temperature range: -55 to +150℃; (3)Tj, Maximum junction temperature: 125℃; (4)TL, Lead solder temperature (10 seconds duration): 260℃.
Features
usblc6-2sc6 features: (1)2 data lines protection; (2)Protects VBUS; (3)Very low capacitance: 3.5pF max; (4)Very low leakage current: 1μA max; (5)SOT-666 and SOT23-6L packages; (6)RoHS compliant.
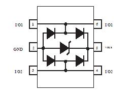
Diagrams

| Image | Part No | Mfg | Description | ![]() |
Pricing (USD) |
Quantity | ||||||||||||
|---|---|---|---|---|---|---|---|---|---|---|---|---|---|---|---|---|---|---|
![]() |
![]() USBLC6-2SC6 |
![]() STMicroelectronics |
![]() TVS Diode Arrays ESD Protection Low Cap |
![]() Data Sheet |
![]()
|
|
||||||||||||
![]() |
![]() USBLC6-2SC6Y |
![]() STMicroelectronics |
![]() TVS Diode Arrays 2 Line 2.5pF 10nA USB 2.0 Automotive |
![]() Data Sheet |
![]()
|
|
||||||||||||
(China (Mainland))





